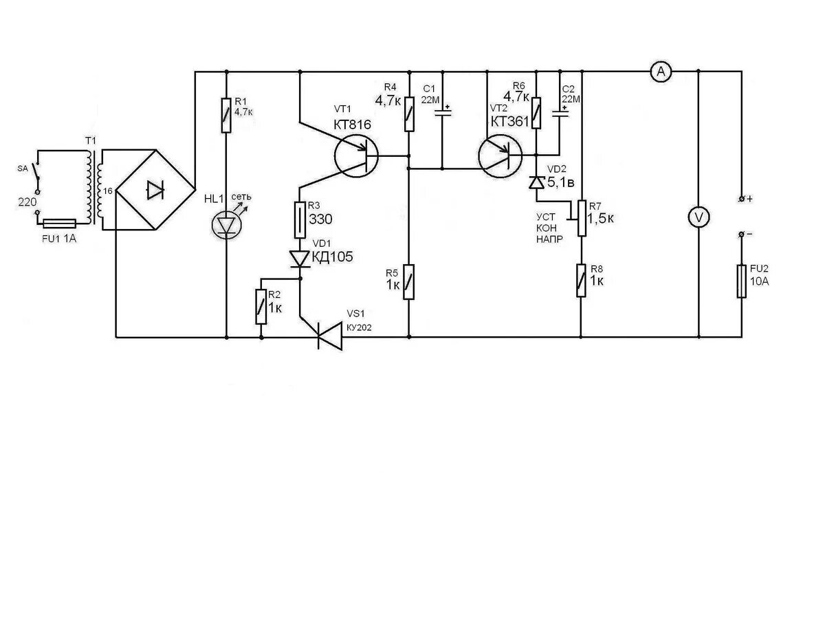
Схема регулятора для зарядного