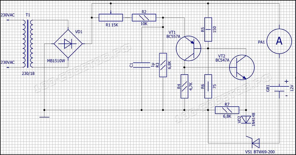
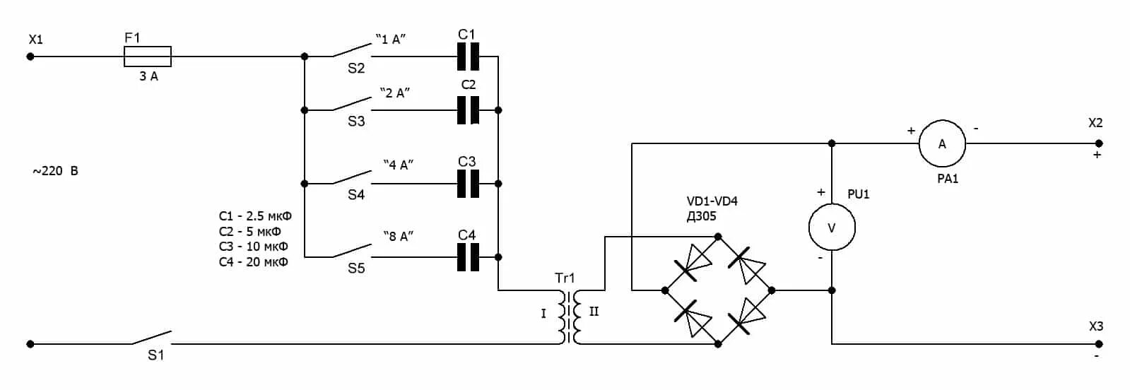
Схема регулировка тока зарядного устройства