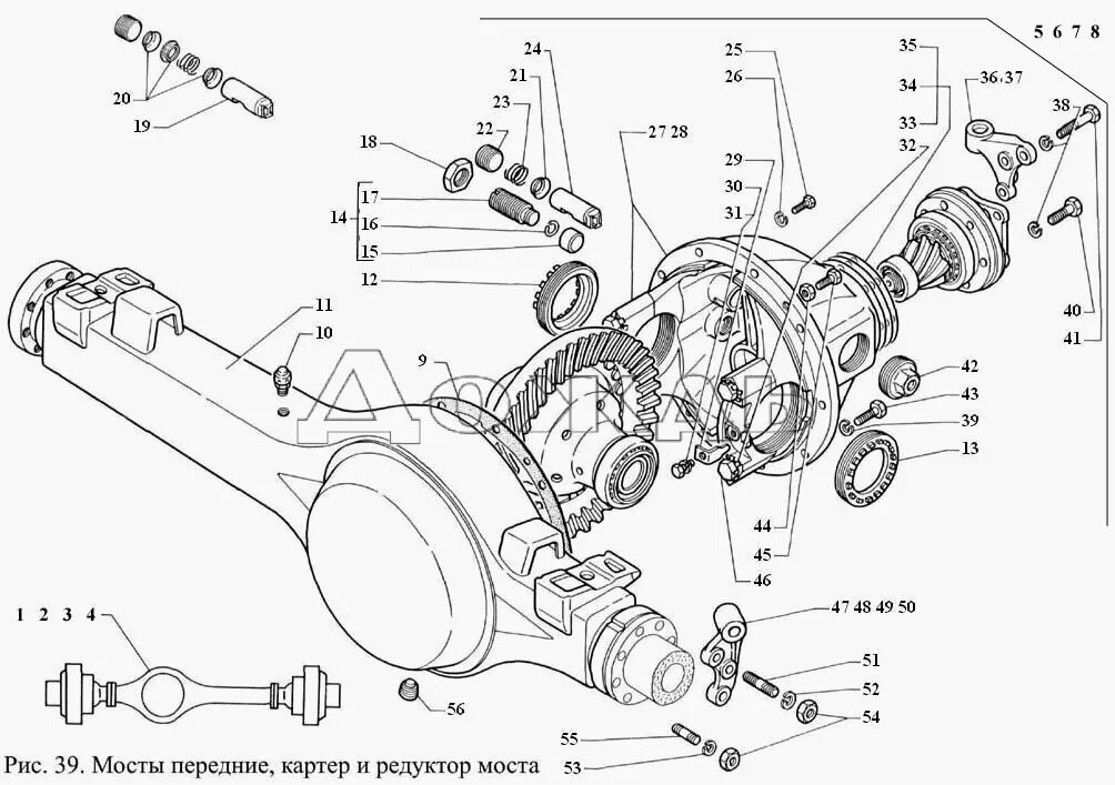
Схема редуктора переднего моста