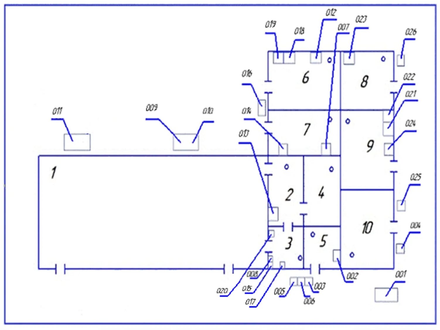
Схема размещения мест накопления отходов