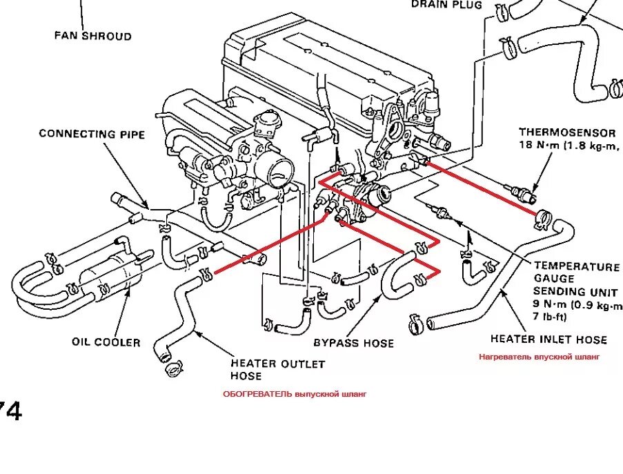
Схема расположения патрубков