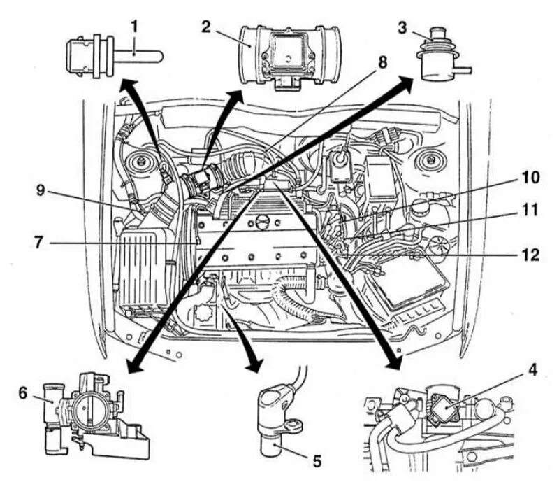
Схема расположения датчика температуры