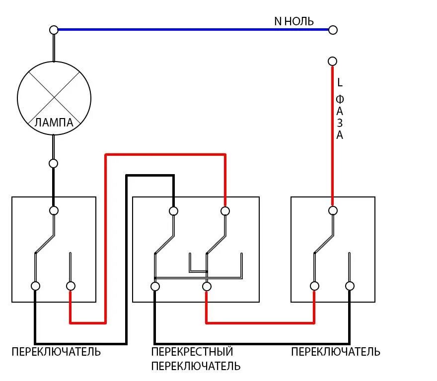
Схема расключения выключателя с двух мест