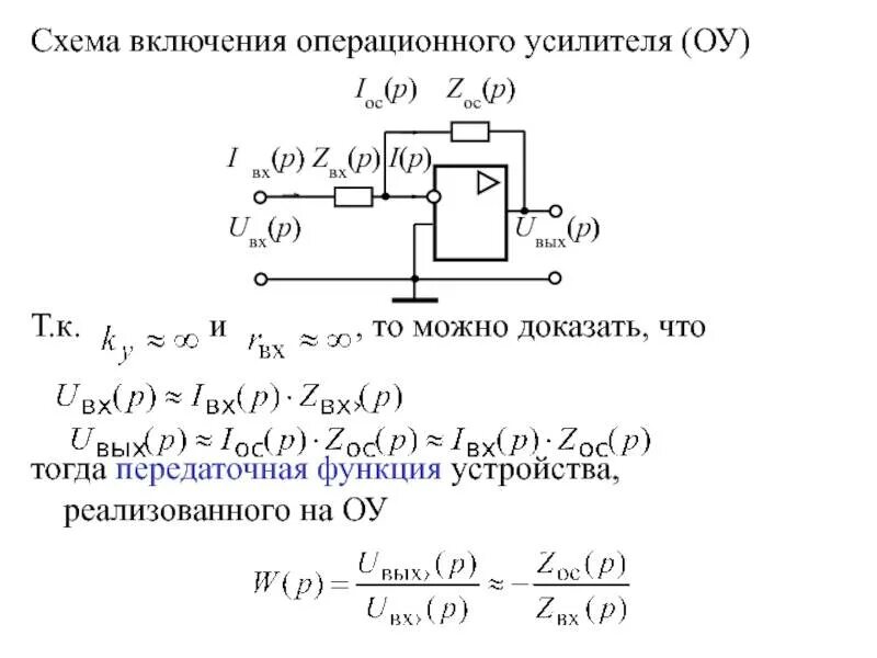
Схема работы операционного усилителя