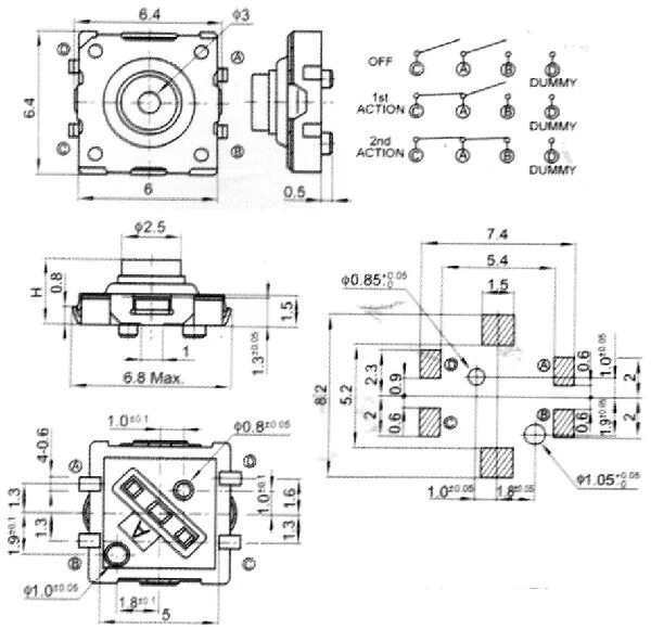
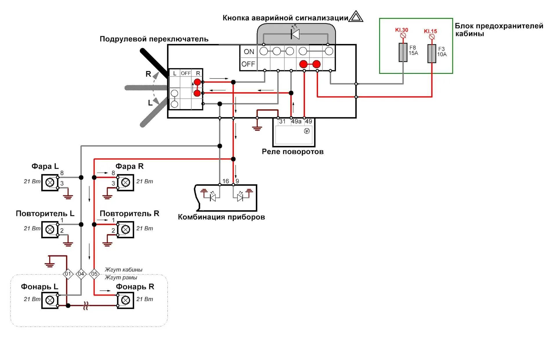
Схема работы кнопки