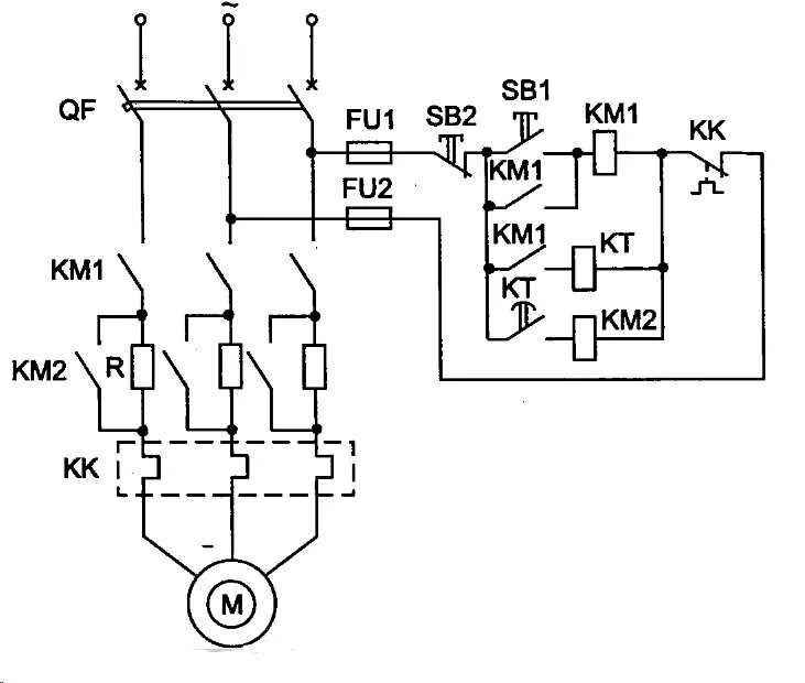
Схема пуска эл двигателя