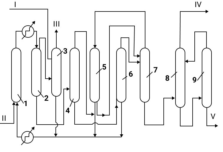
Схема превращения уксусной кислоты