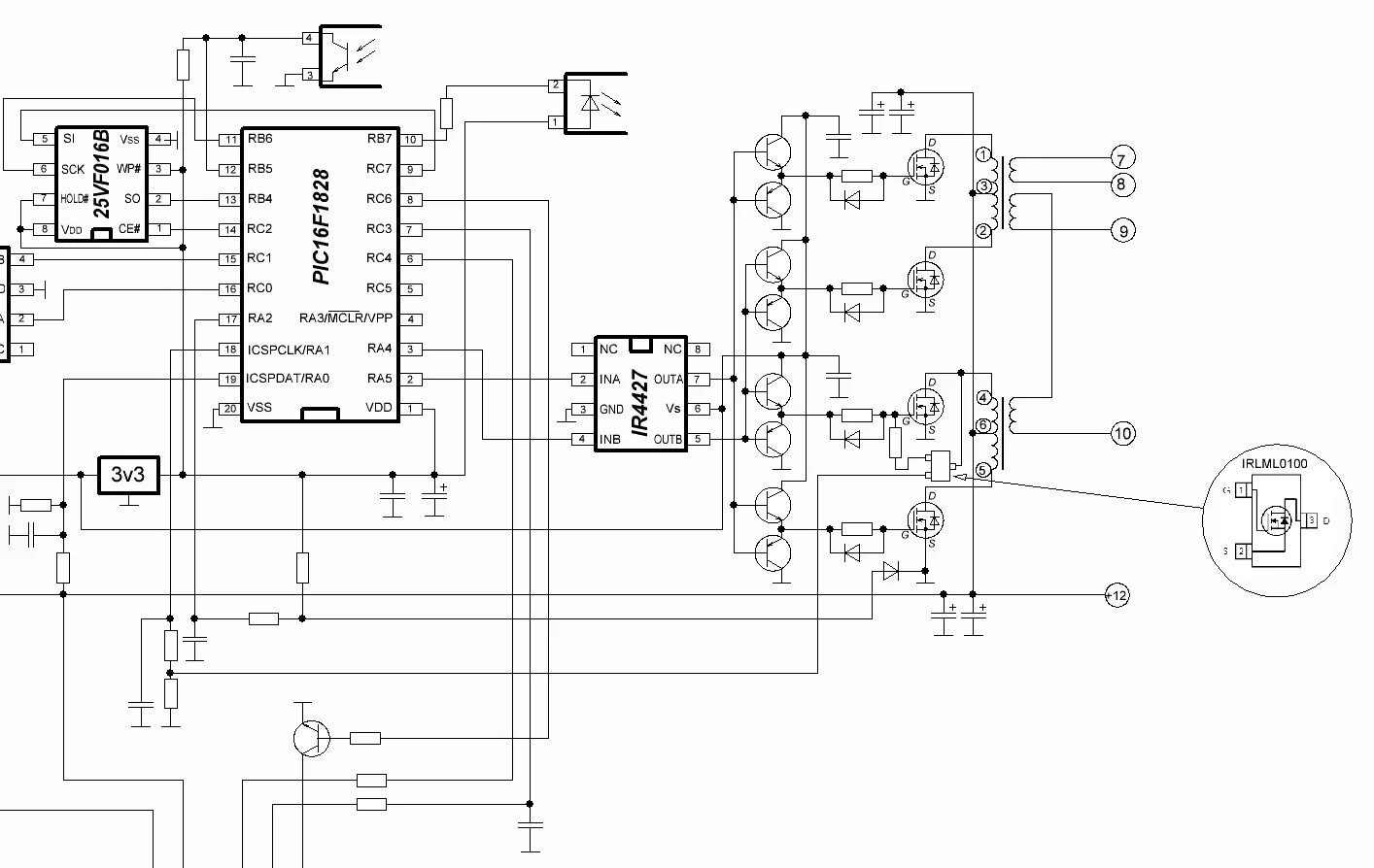
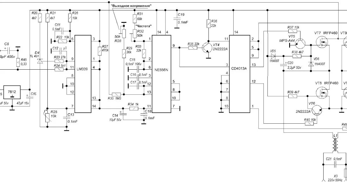
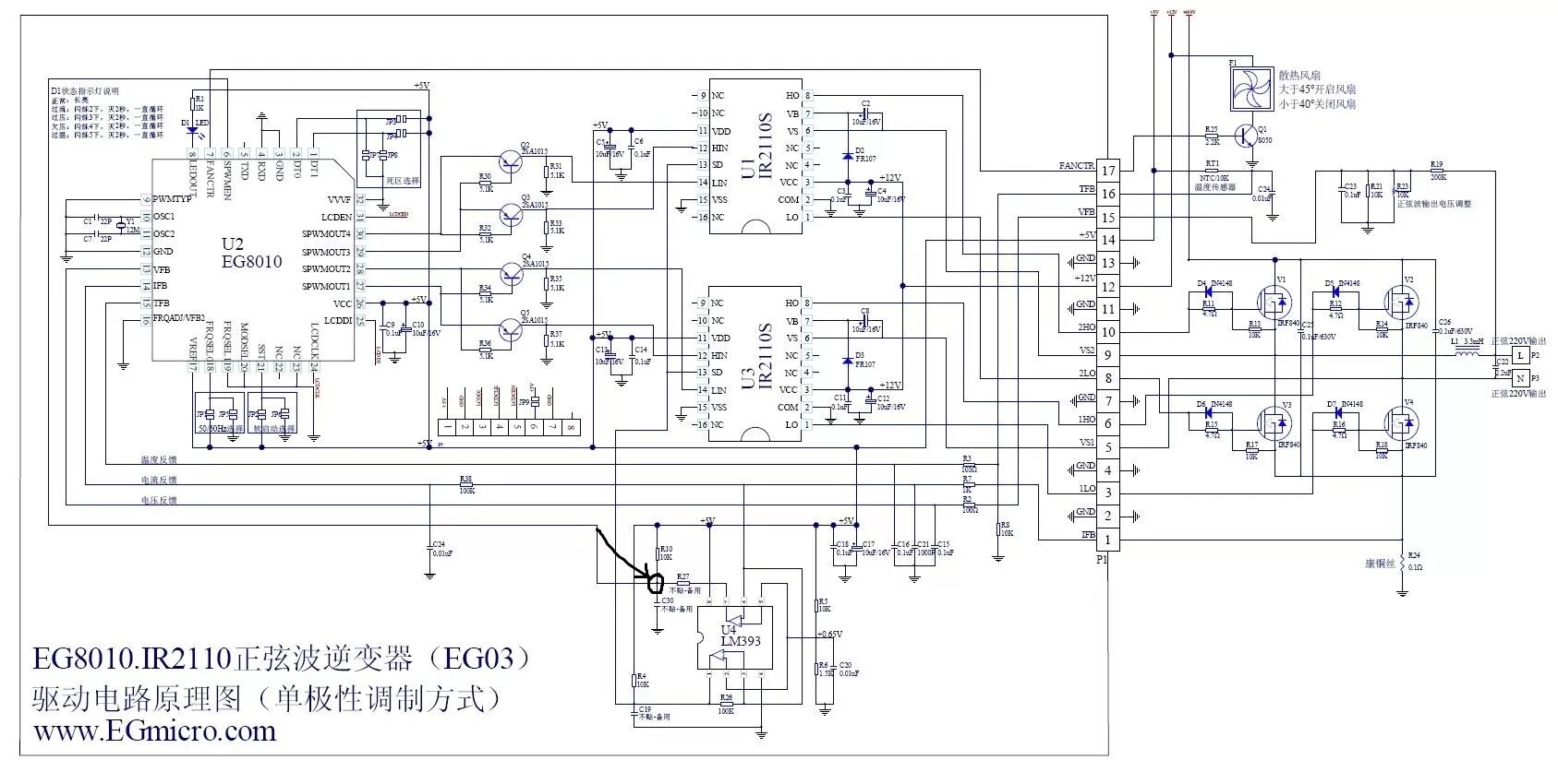
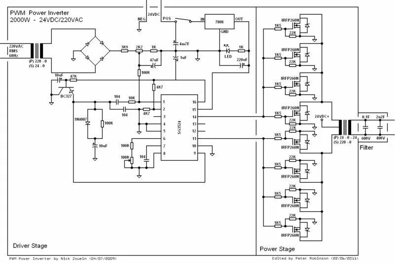
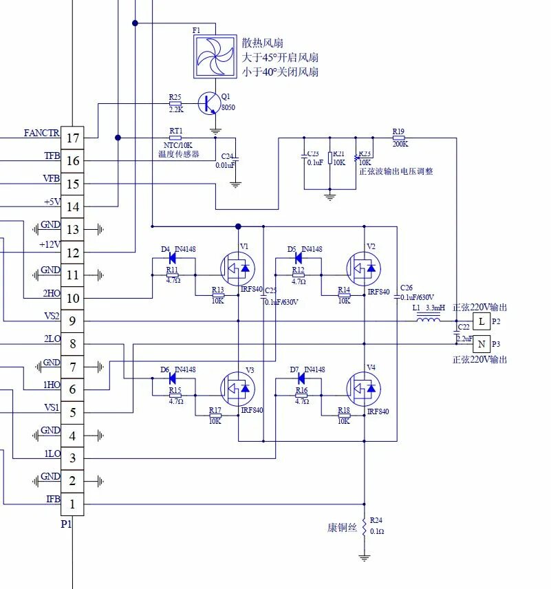
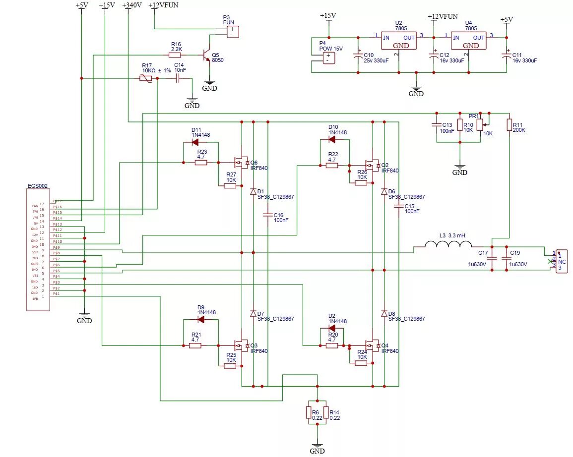
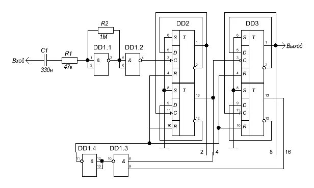
Схема преобразователя синусоида