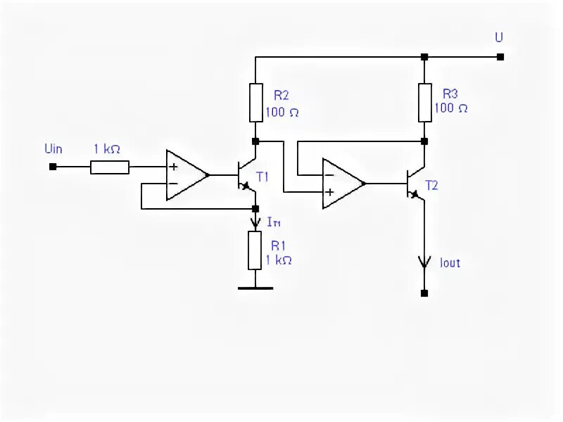
Схема преобразователя напряжение ток