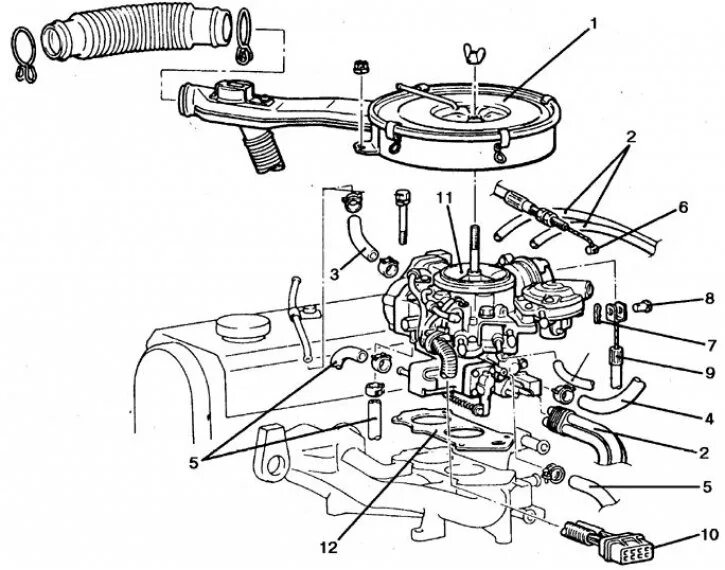
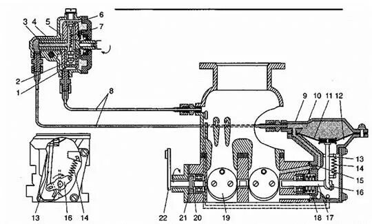
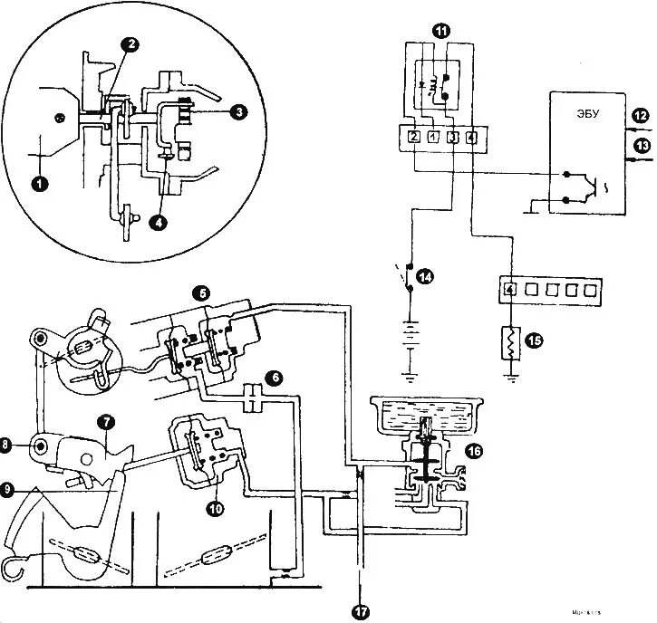
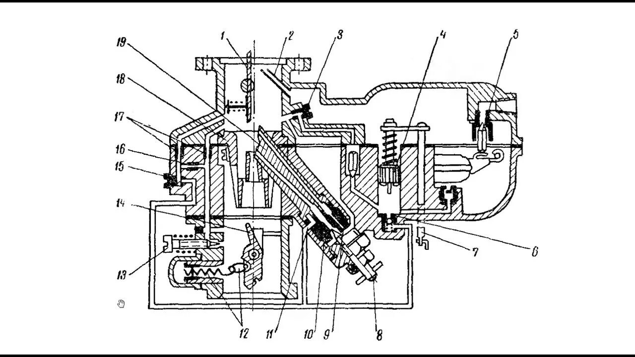
Схема подсоединения карбюратора