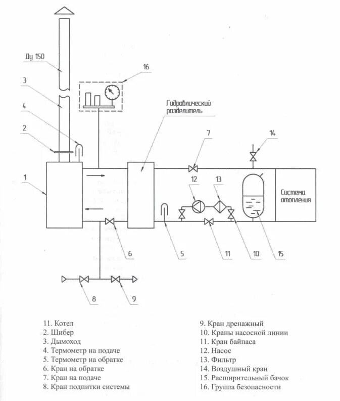
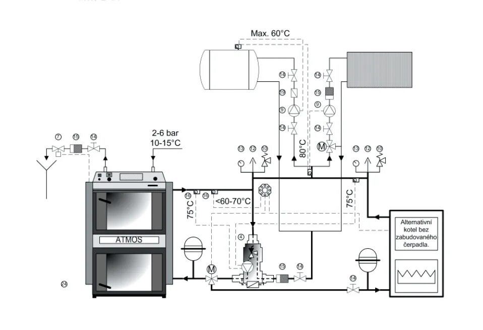
Схема подключения твердотопливного котла