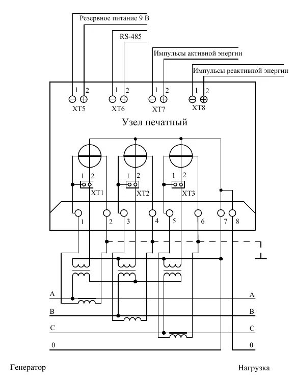
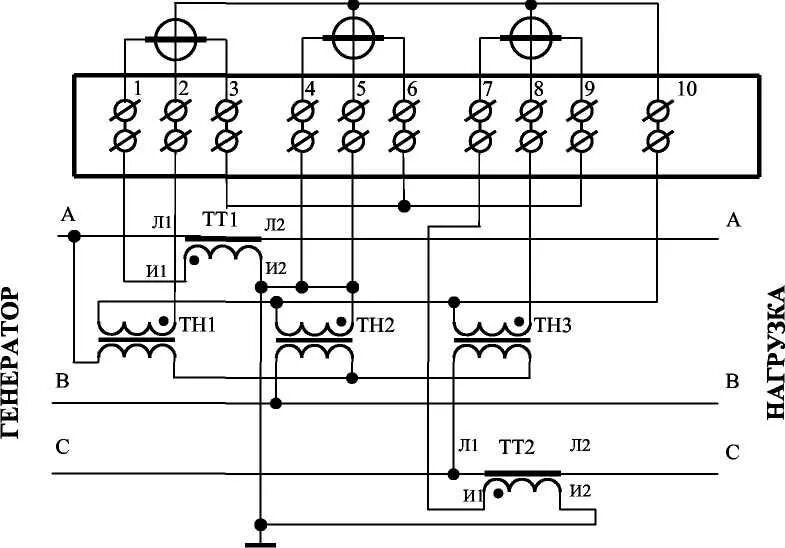
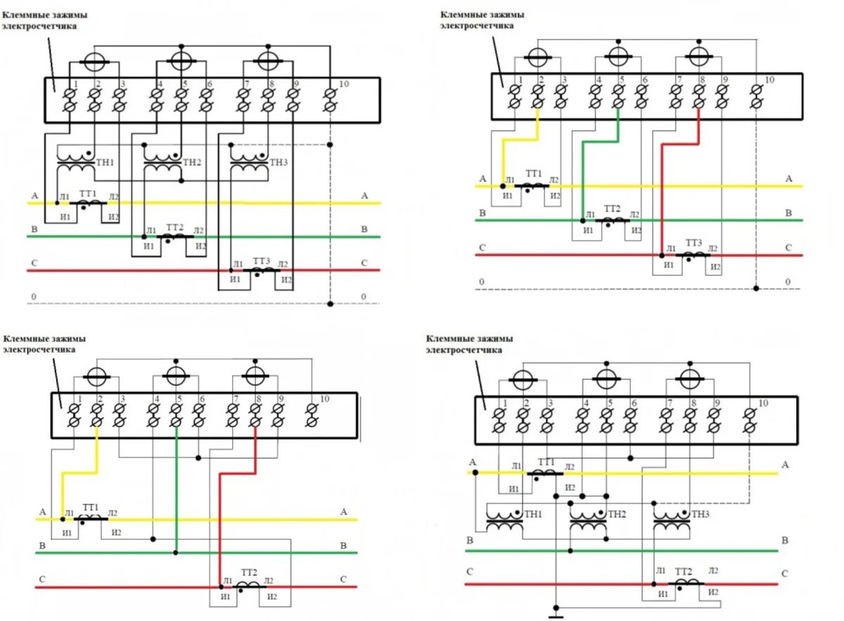
Схема подключения трансформатора к счетчику