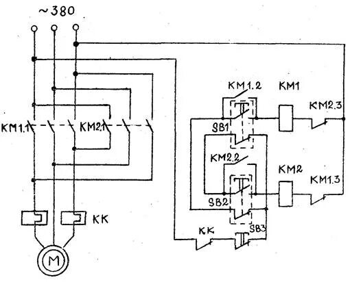
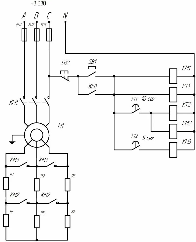
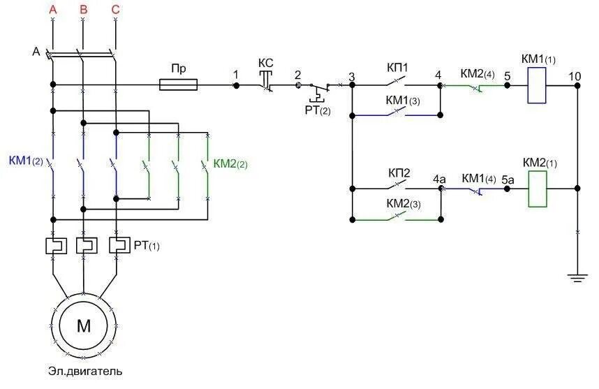
Схема подключения реверсивного пускателя 380