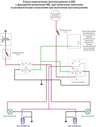
Схема подключения противотуманных фар на газель