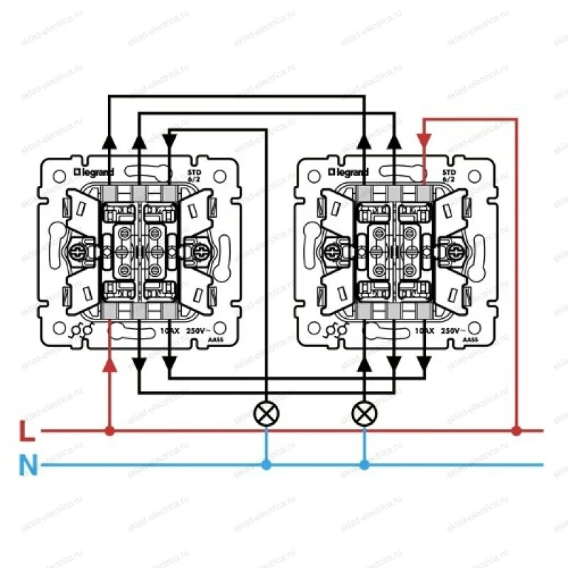
Схема подключения проходного выключателя