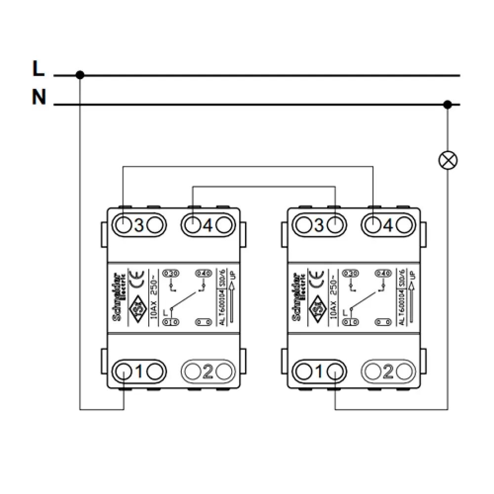
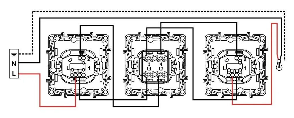
Схема подключения проходного шнайдер