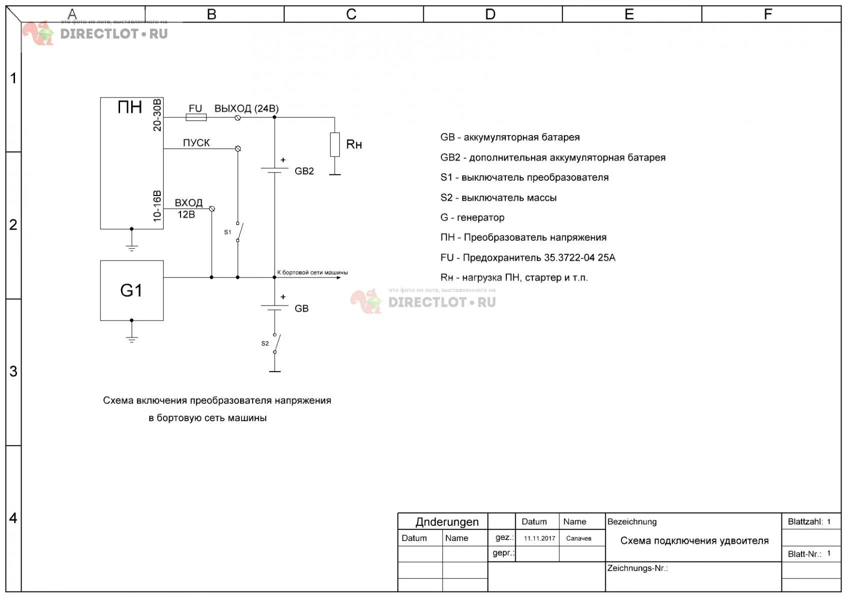
Схема подключения преобразователя 24 на 12