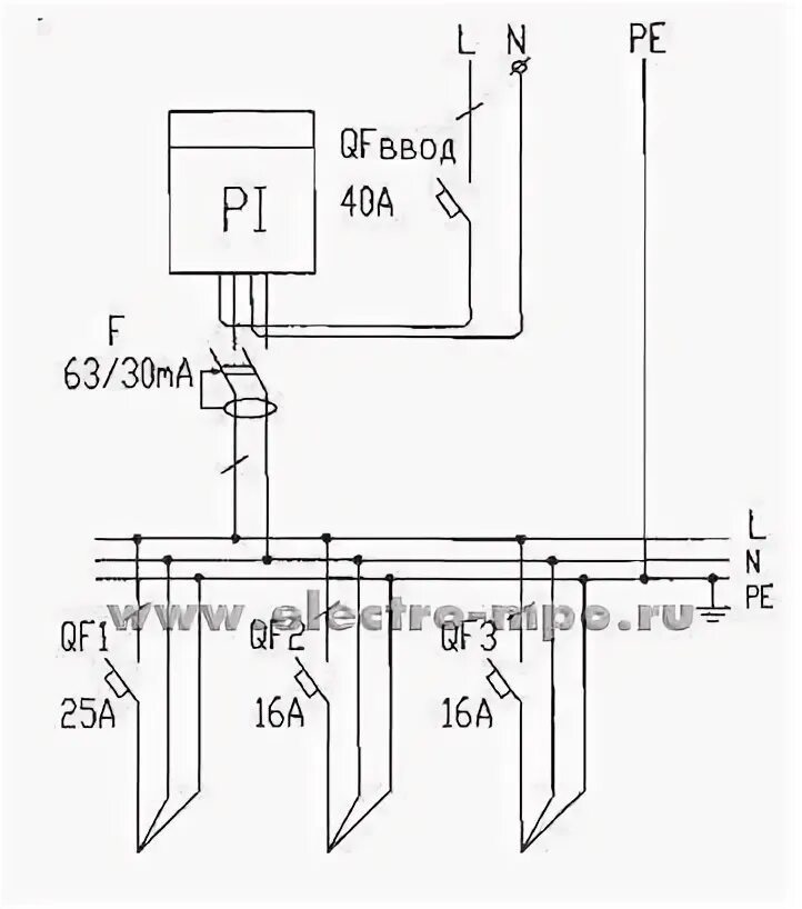
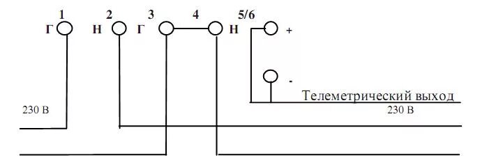
Схема подключения меркурий 201 однофазный