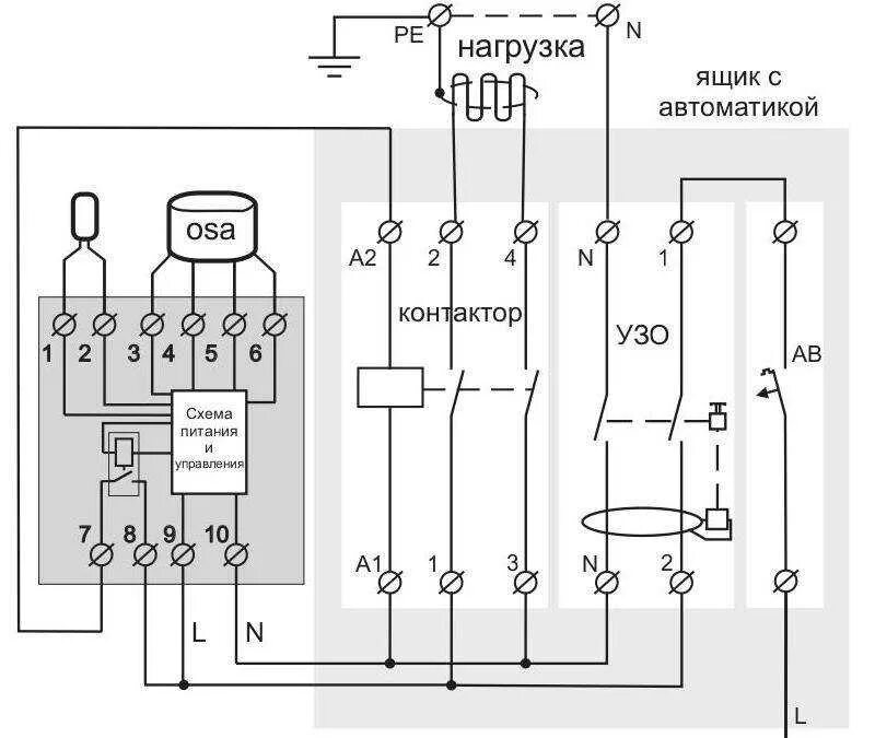
Схема подключения мастер выключателя через контактор