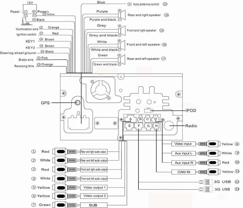
Схема подключения магнитолы андроид 2 din