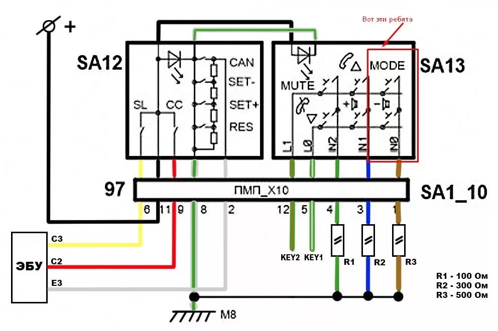
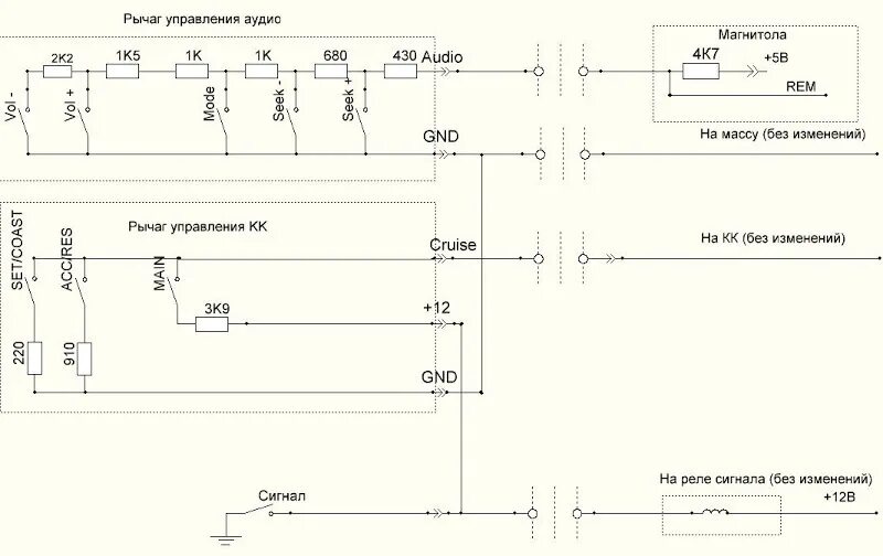
Схема подключения кнопок руля