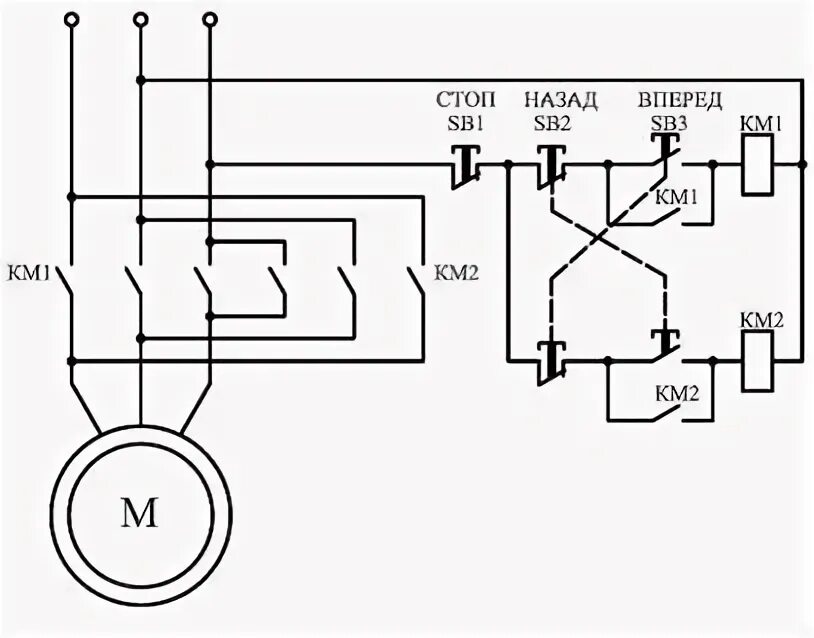
Схема подключения кнопок реверса