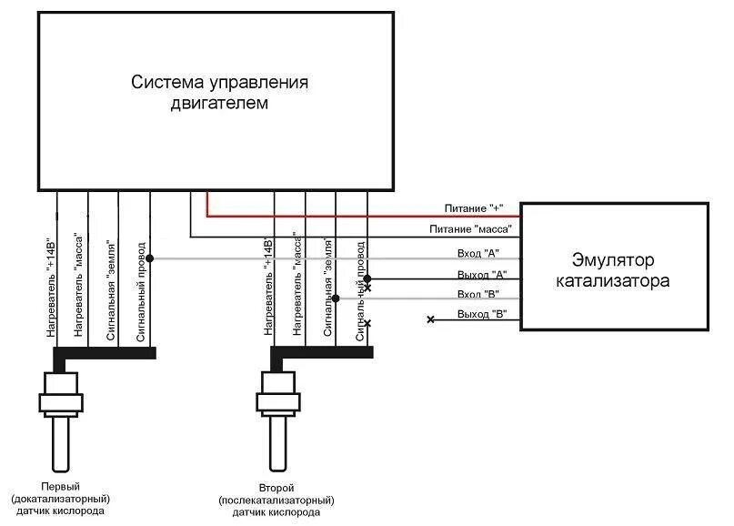
Схема подключения кислородного датчика