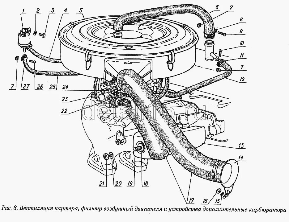
Схема подключения карбюратора 402 двигателе