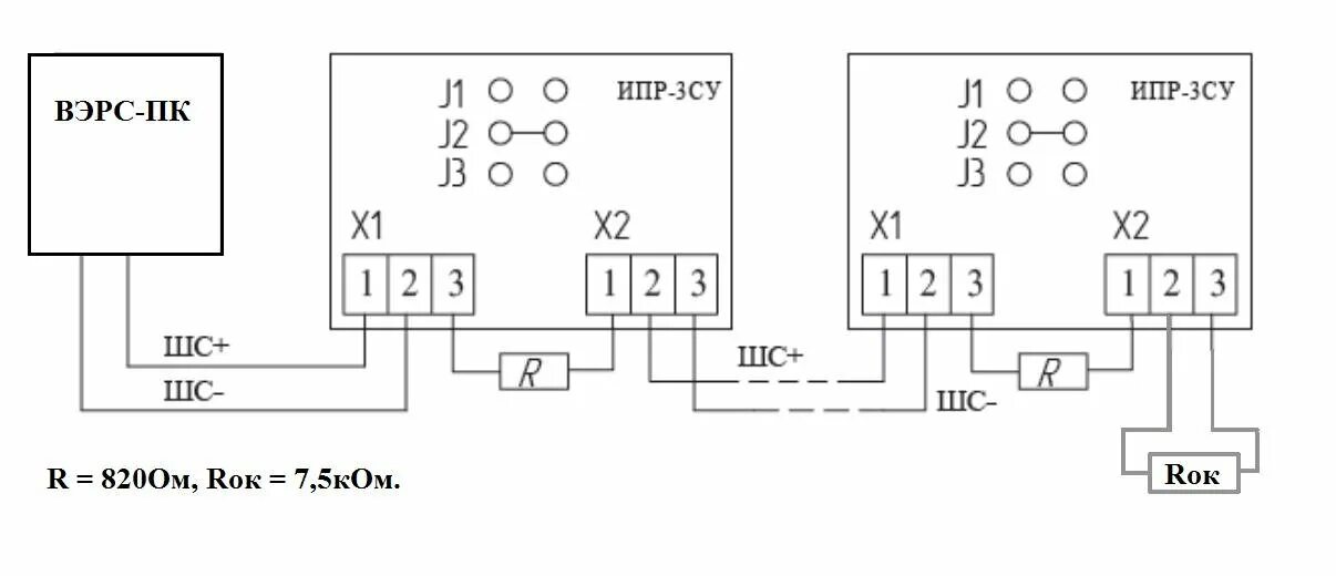
Схема подключения ипр