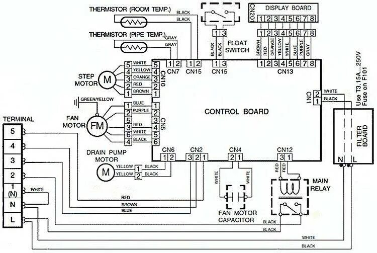
Схема подключения инверторного кондиционера