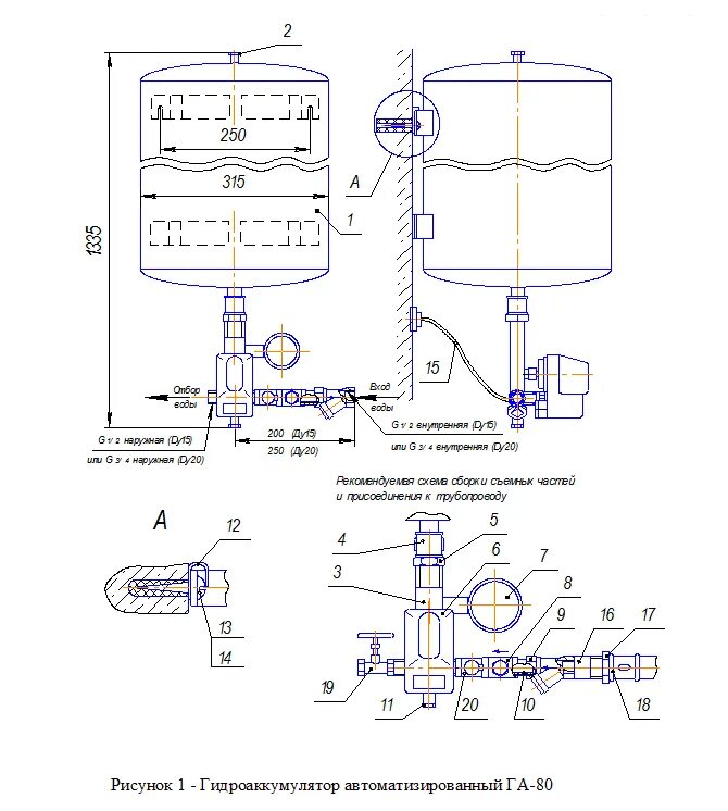
Схема подключения гидроаккумулятора к системе