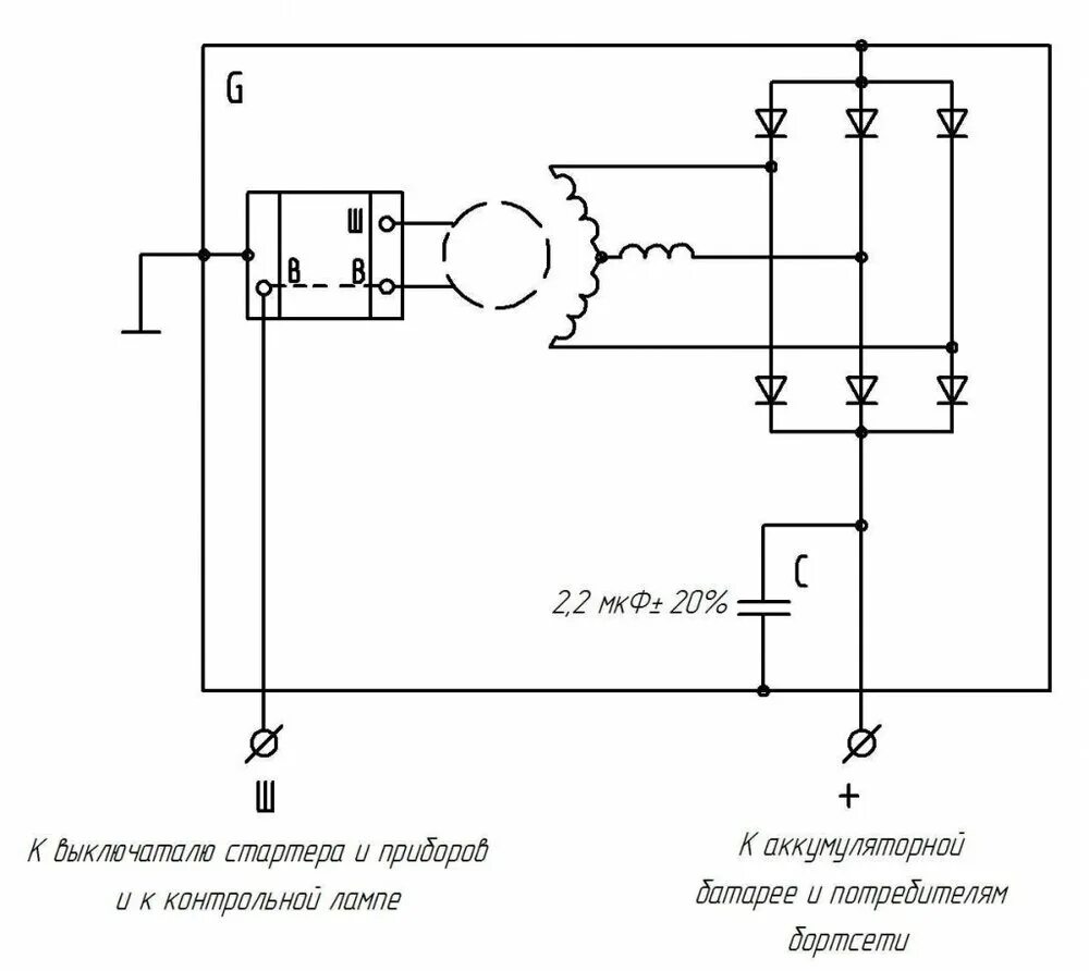
Схема подключения генератора уаз