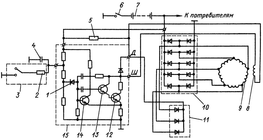
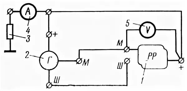
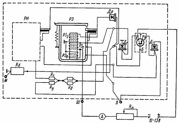
Схема подключения генератора мтз 80