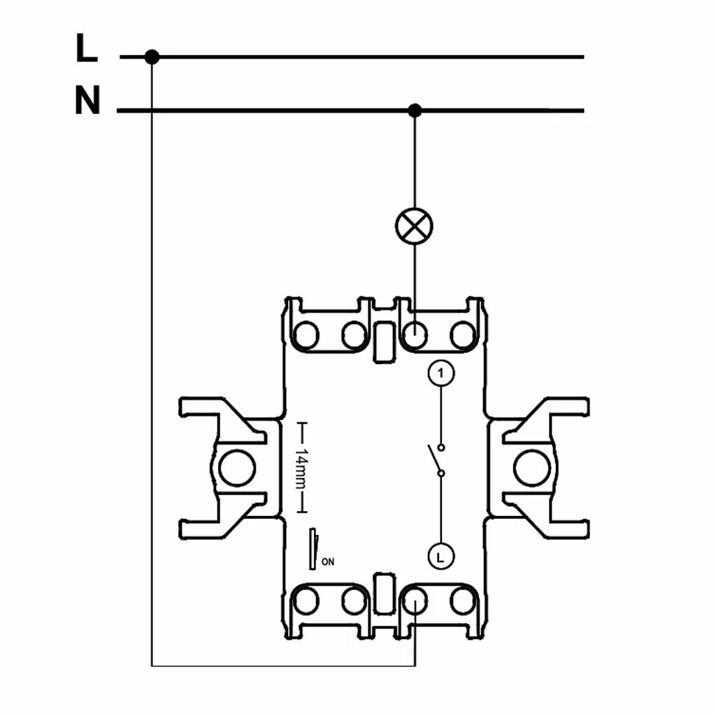
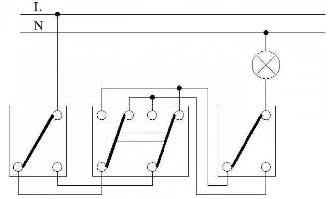
Схема подключения двухклавишного шнайдер