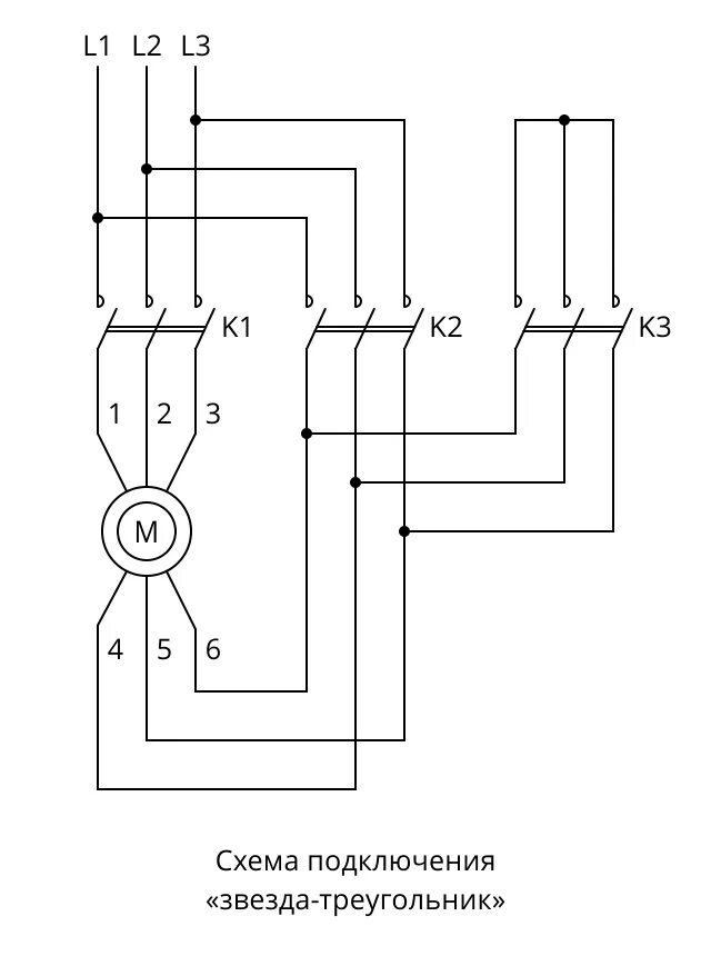
Схема подключения двигателя звезда треугольник