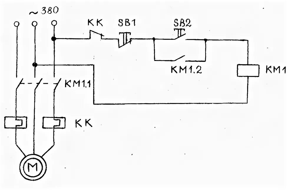
Схема подключения двигателя пуск стоп