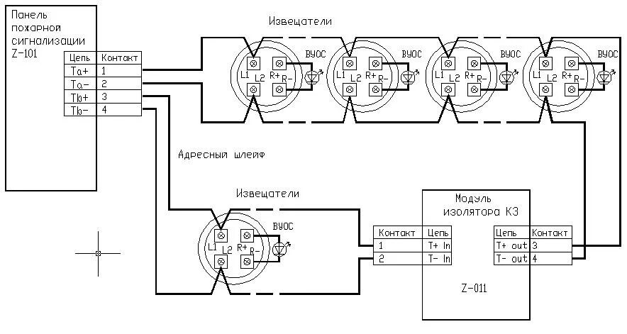
Схема подключения датчиков пожарной сигнализации