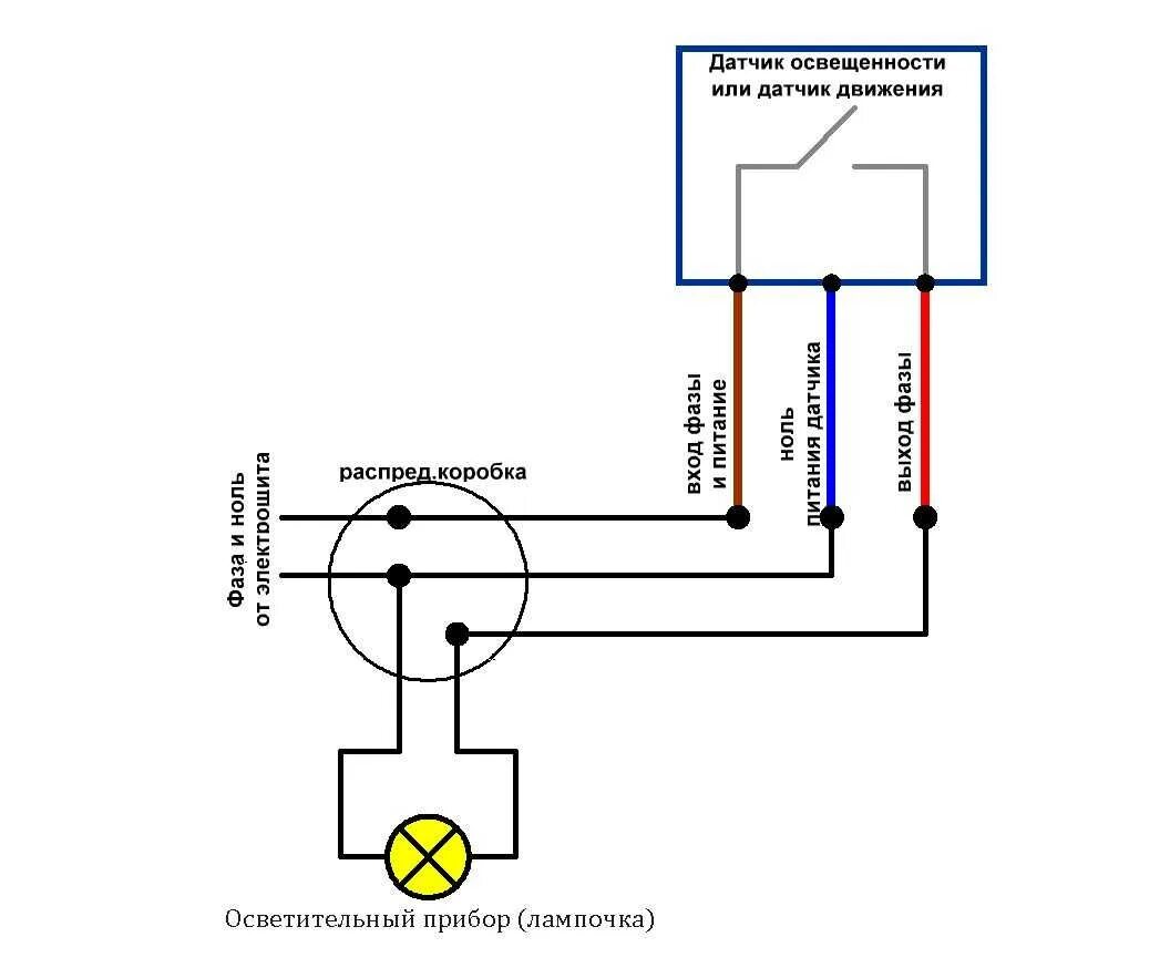
Схема подключения 2s