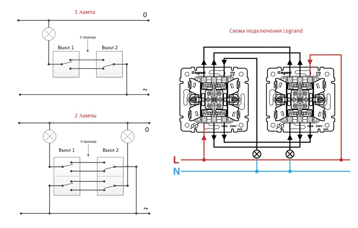
Схема подключения 2 клавишного проходного