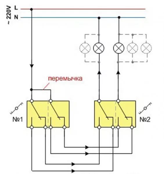
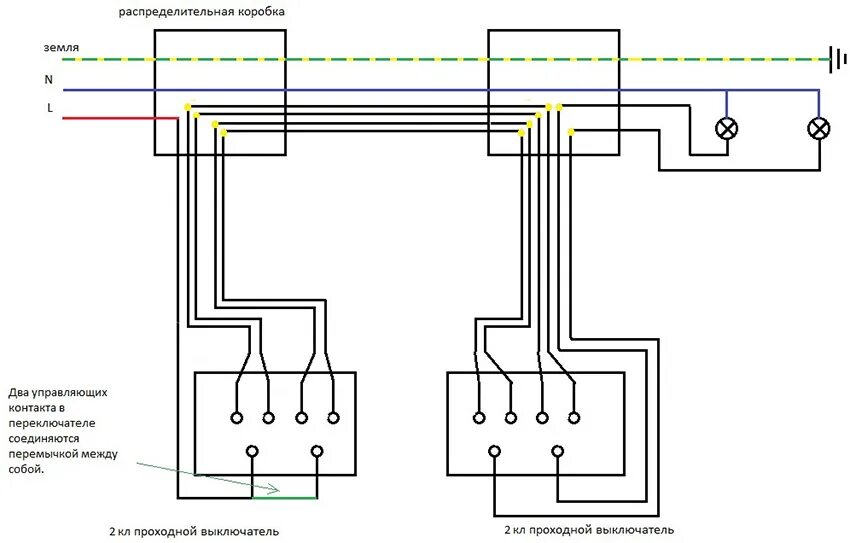
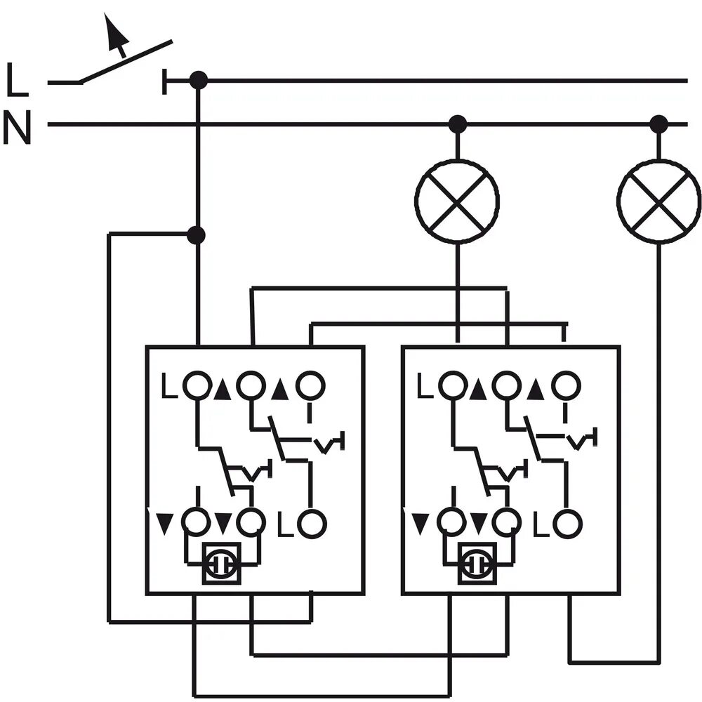
Схема подключения 2 клавишного переключателя