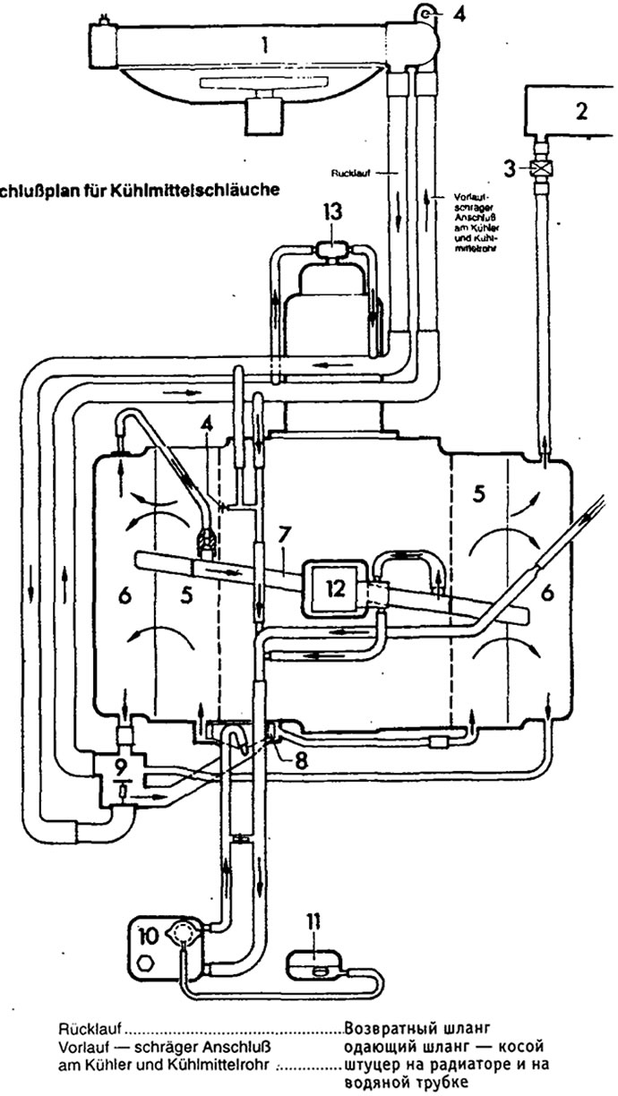
Схема охлаждения т5