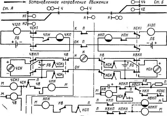
Схема направления движения