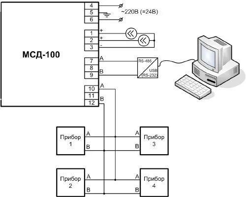
Схема мсд