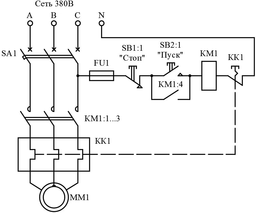
Схема магнитного пускателя 380в