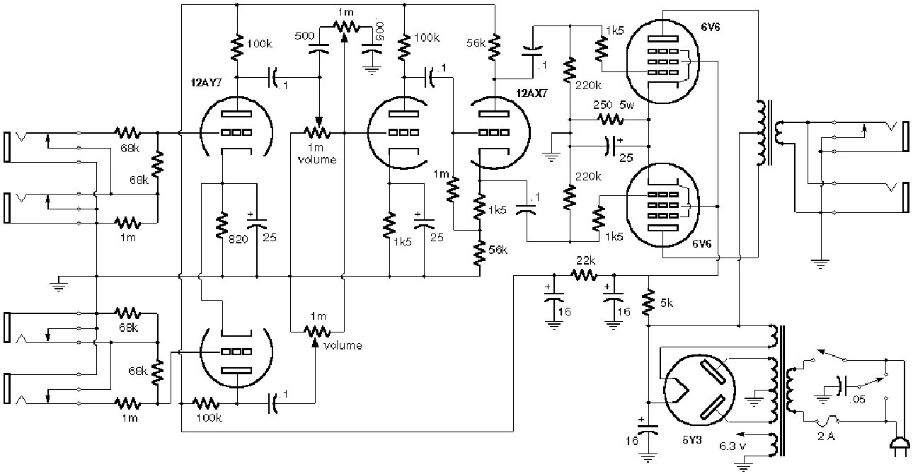
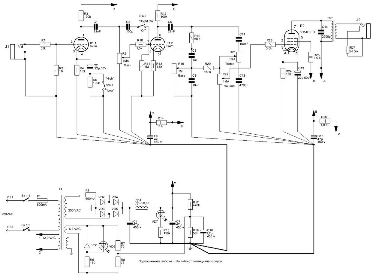
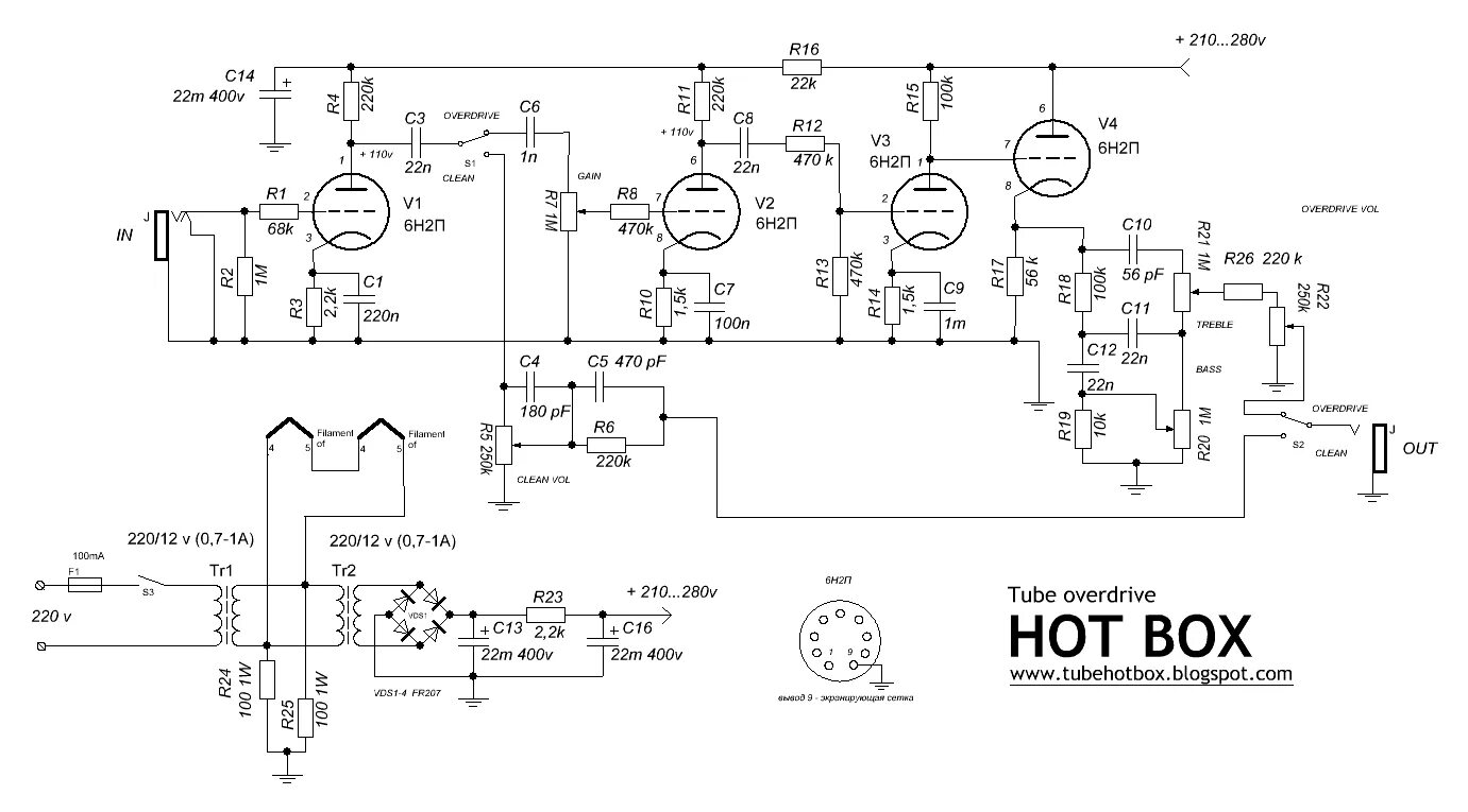
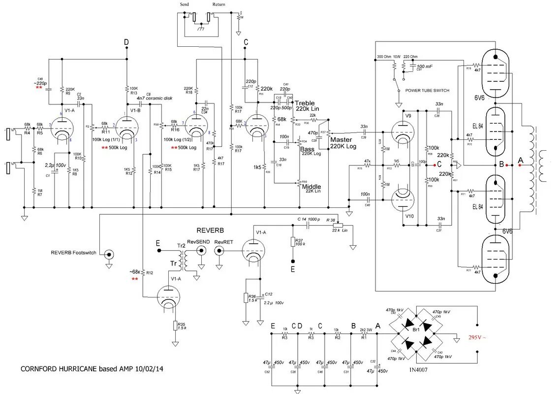
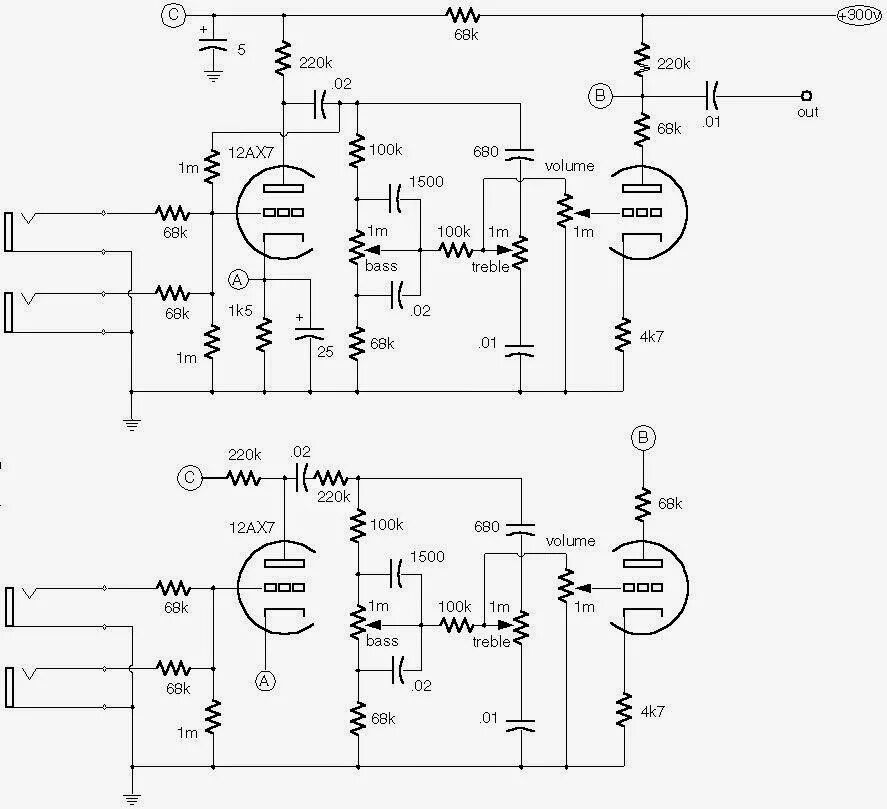
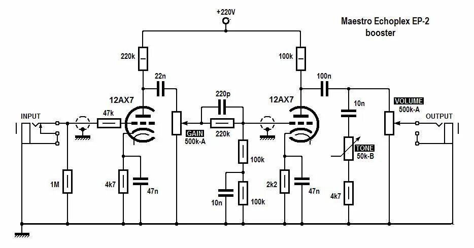
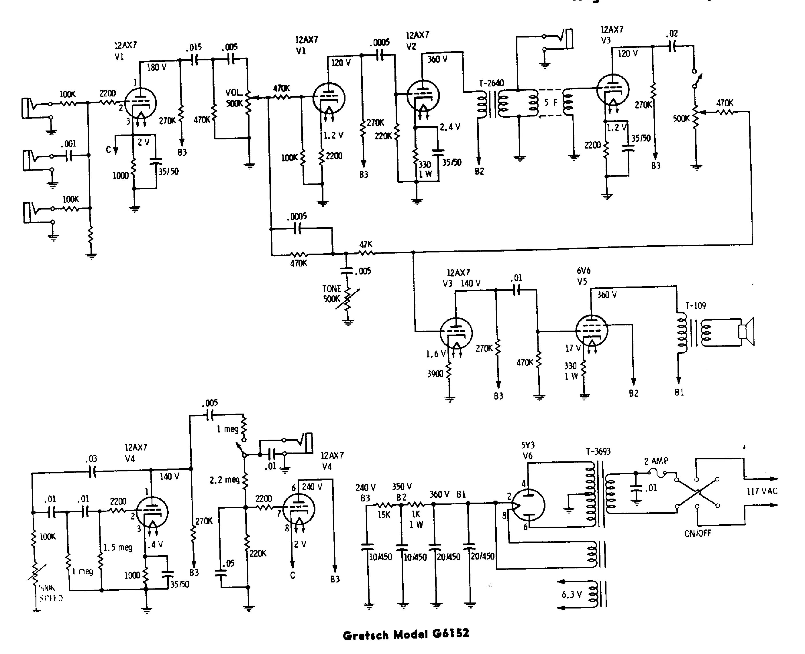
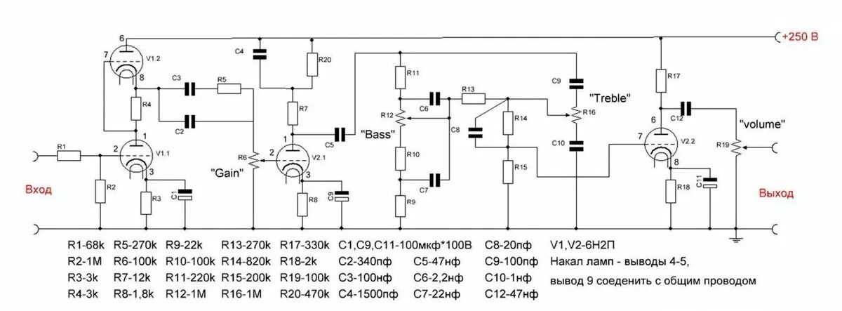
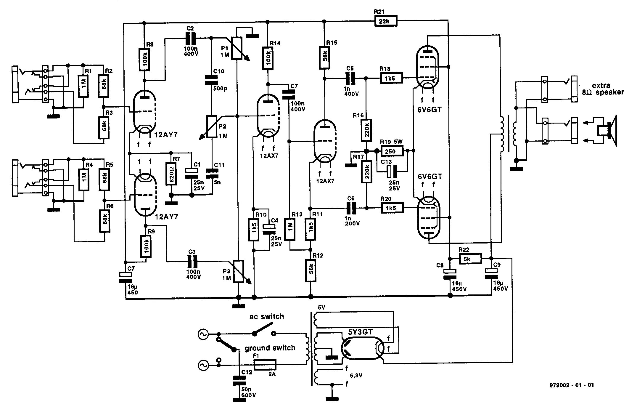
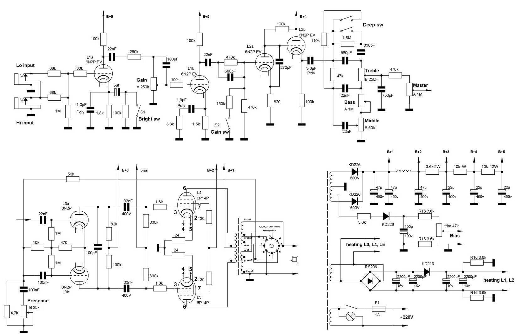
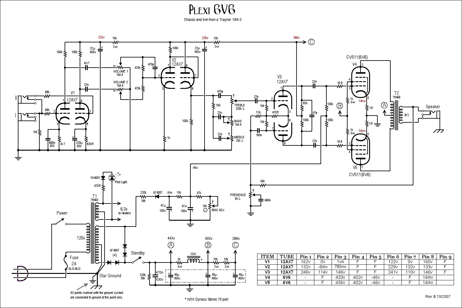
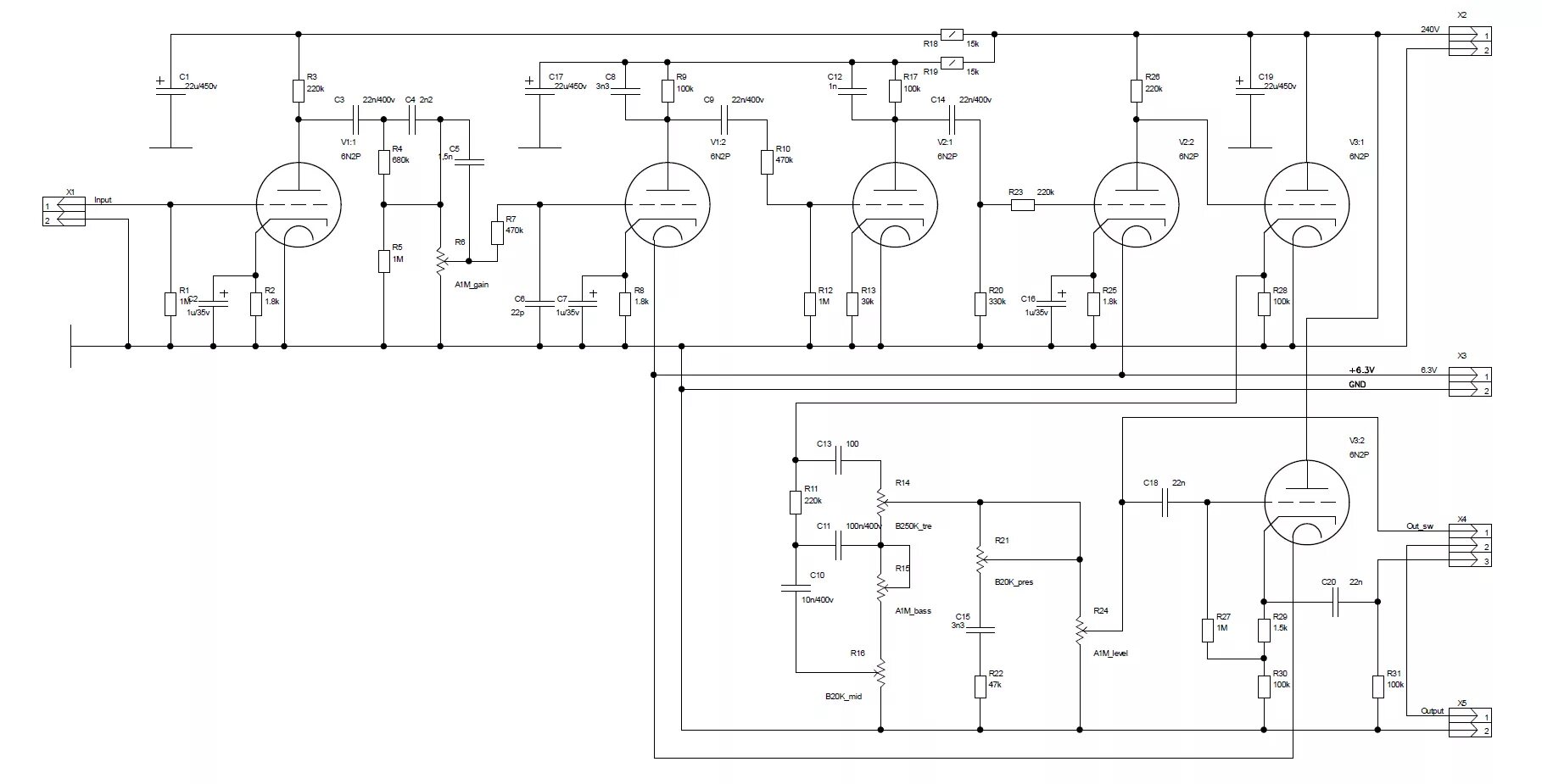
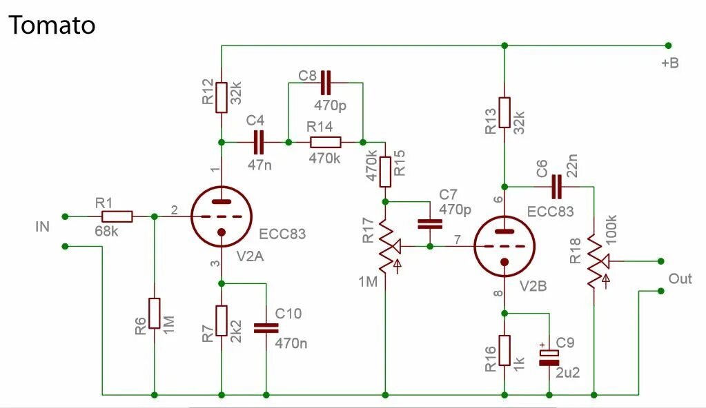
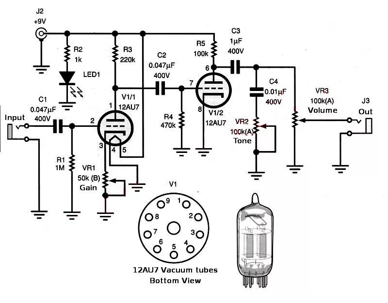
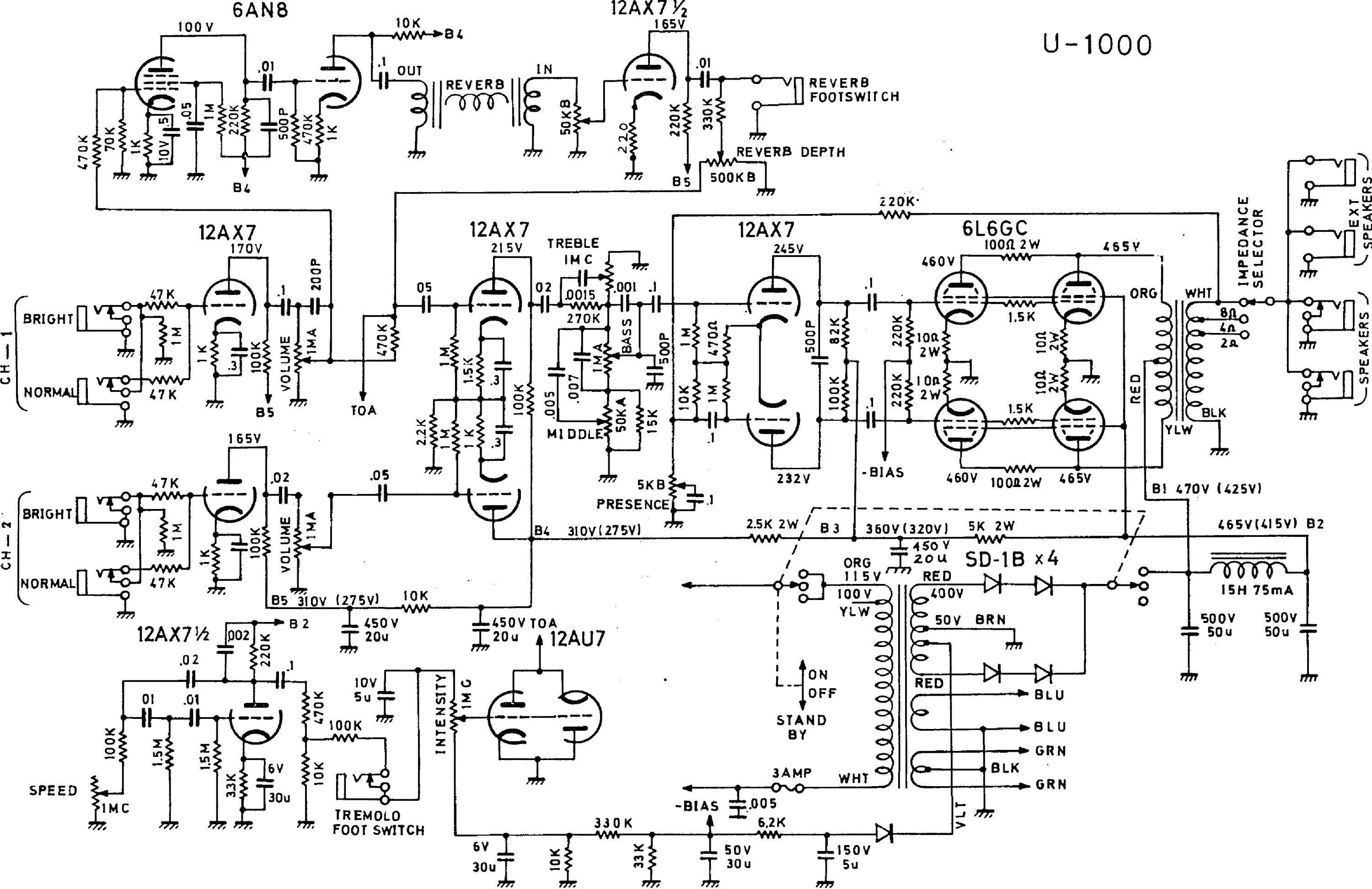
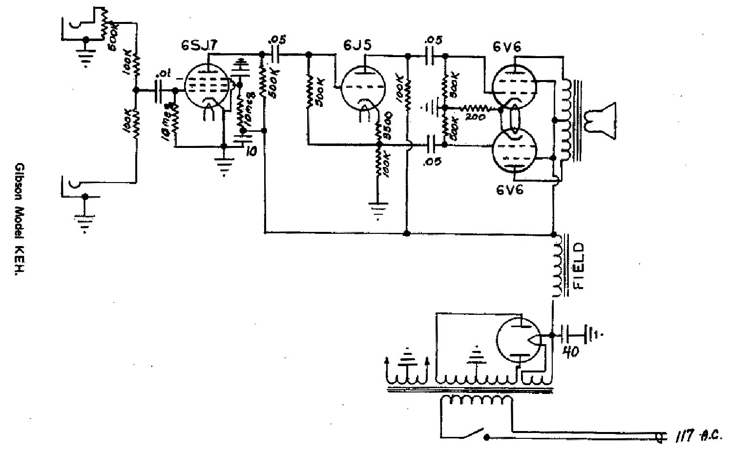
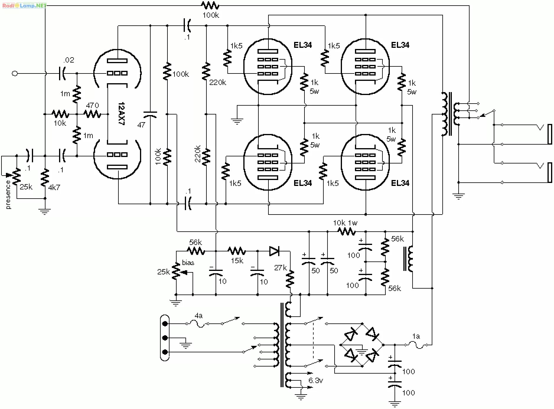
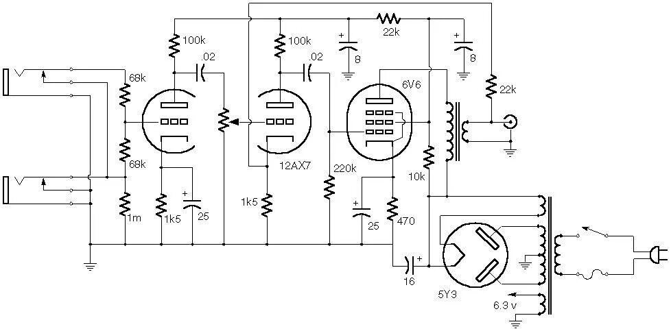
Схема ламповых гитарных