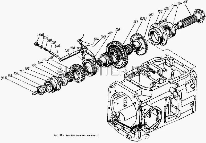
Схема коробки передач 1221