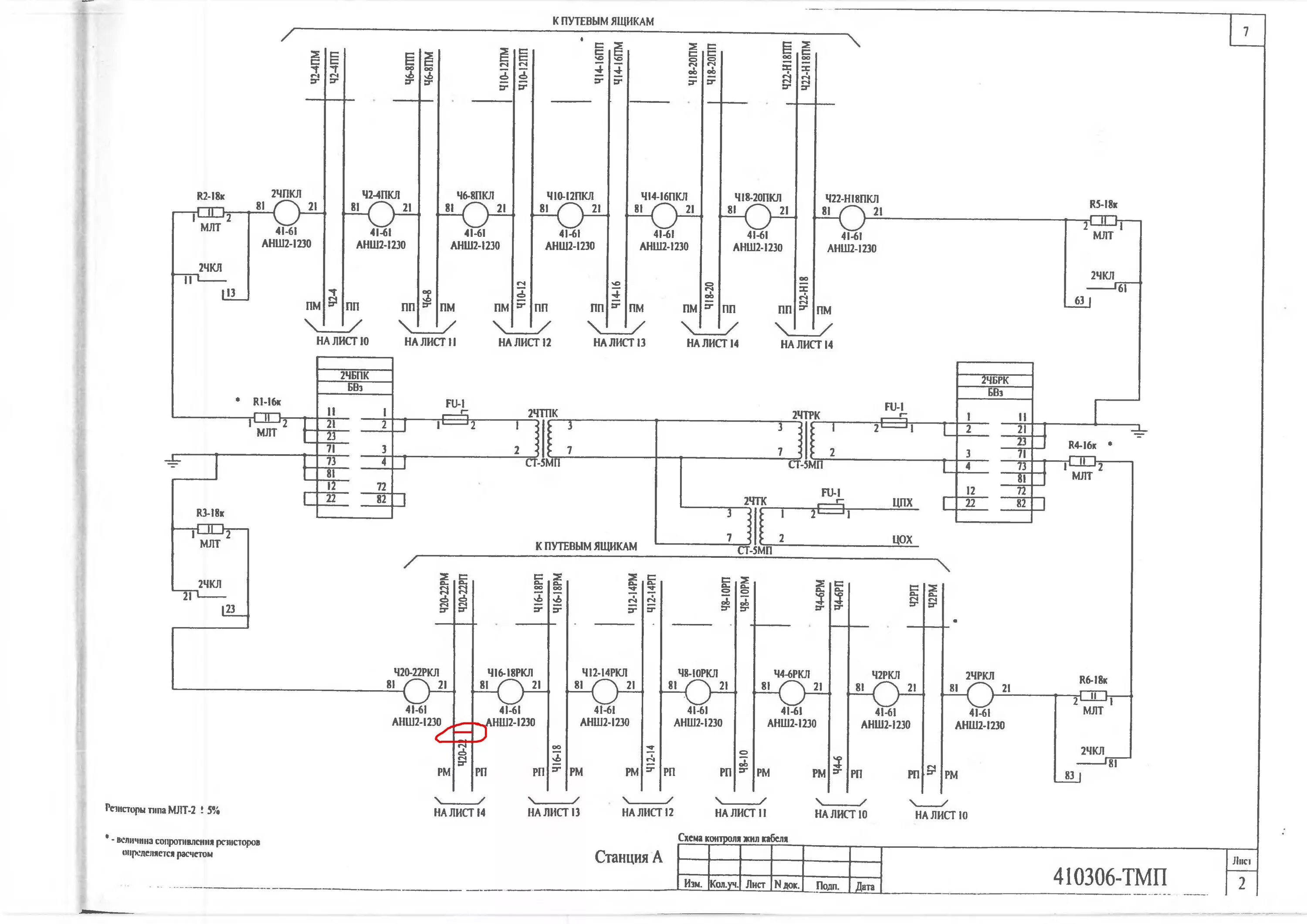
Схема контроля линий