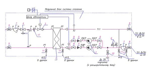
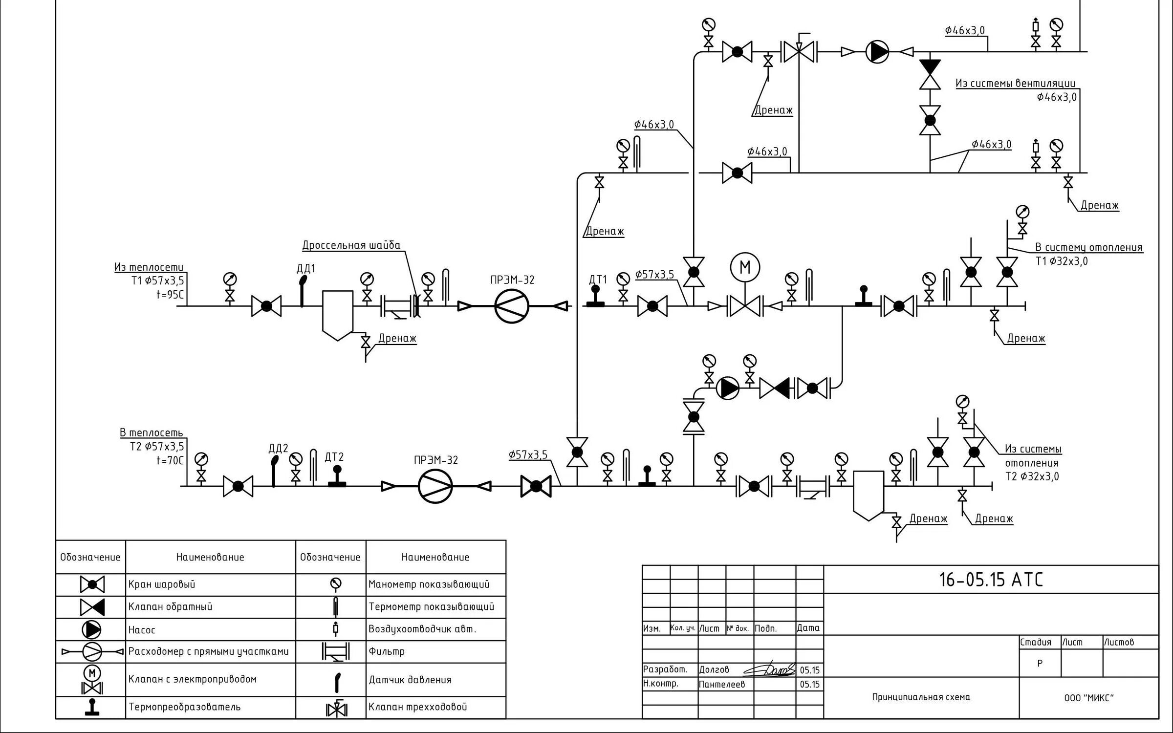
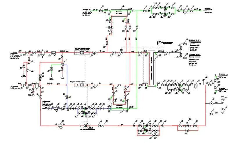
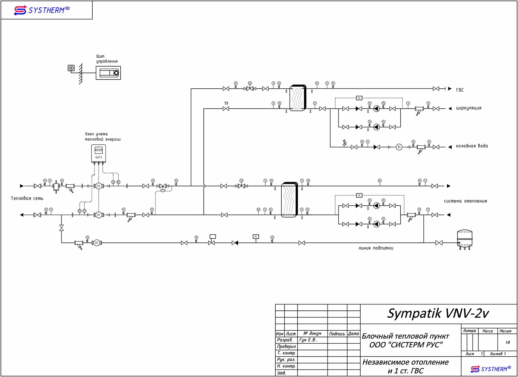
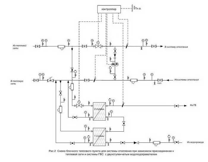
Схема итп с теплообменником