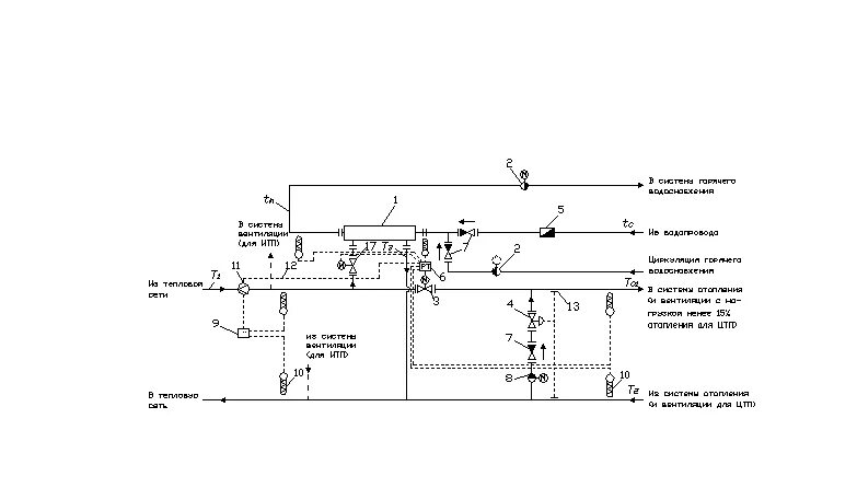
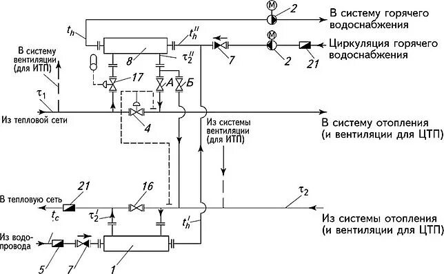
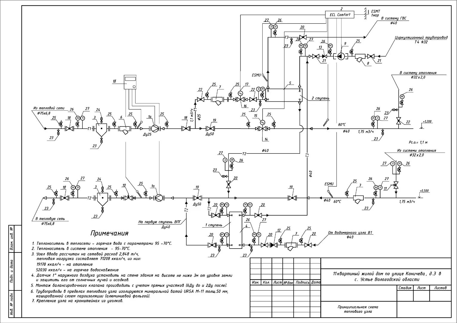
Схема итп гвс