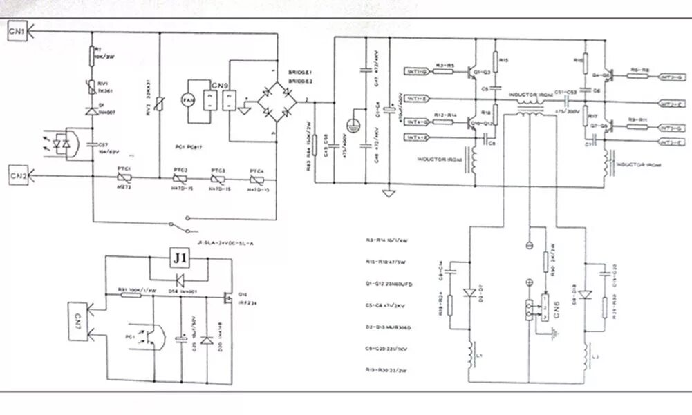
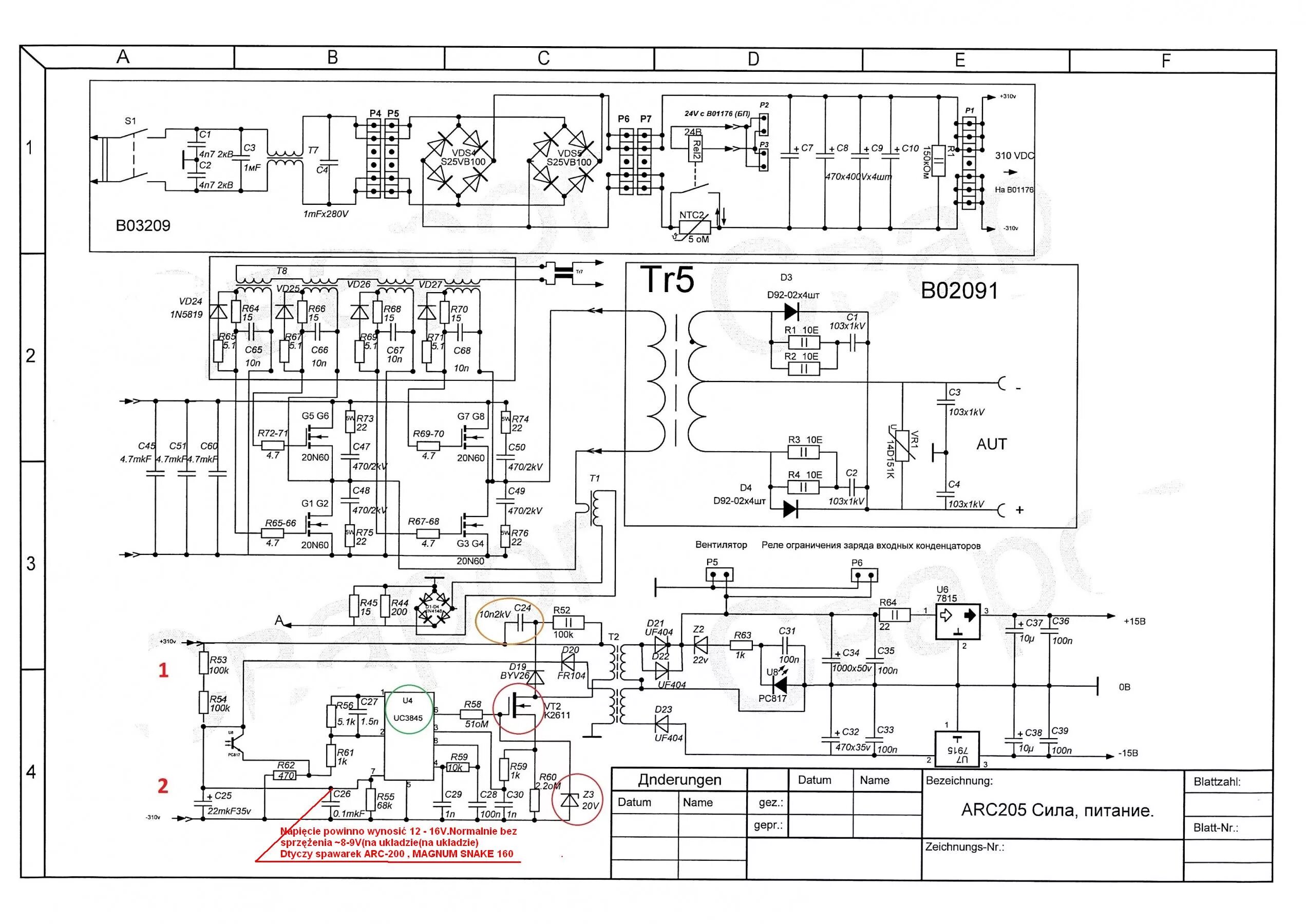
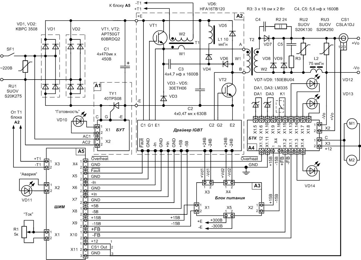
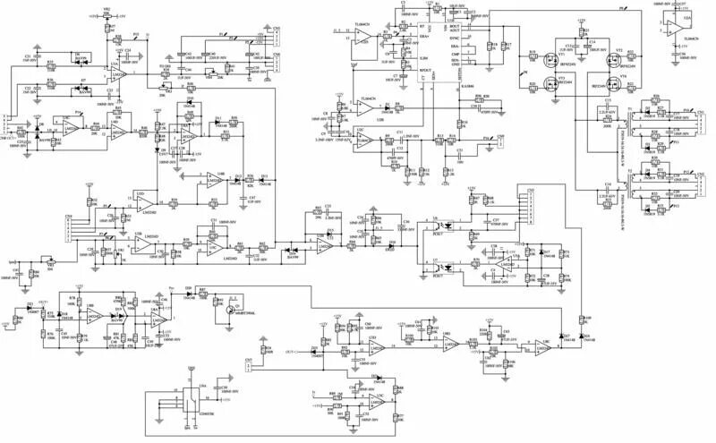
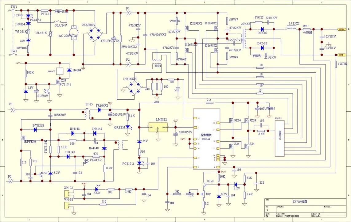
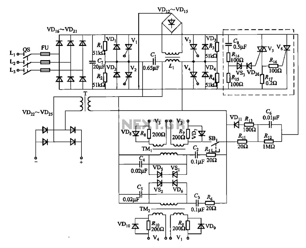
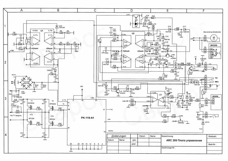
Схема инвертор arc